2
svar
192
visningar
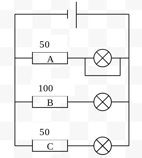
Kopplings schema

Frågan är "I kopplingsschemat nedan är alla lampor lika. Genom vilket motstånd, A, B eller C, är strömmen starkast? Förklara!"
Hur ska jag räkna ut detta och veta vilken ström är starkast?
Pga att de är pararellkopplade kommer alla lampor ha samma volt. Eftersom r×i=u kommer lampan med lägst resistans ha högst ström
Du skulle också kunna säga att eftersom strömmen genom A inte går över en lampa så kommer den strömmen var lite starkare än c. (Lampor har resistans)