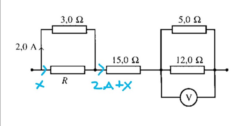
Kopplingsschema resistansen R
Jag ska bestämma resistansen R i kopplingsschemat nedan. Voltmetern visar 16,0 V. Är helt fast, vet inte hur jag ska gå tillväga
Hellooo!
Detta har jag hitills gjort.
Jag kommer inte vidare hädanefter...
Om ersättningsresistansen för de parallellkopplade motstånden är och spänningen över dem är blir ju den sammanlagda strömmen genom dem:
Är du sedan med på att denna ström är samma som den sammanlagda strömmen genom motstånden med resistanserna och ?
Du kan ta reda på spänningen över dessa med
Strömmen genom måste vara (är du med på varför?). Då kan du använda Ohms lag för att få .
Nej varför är den strömmen lika stor genom motståndaren med resistansen på 3ohm?
Är du med på att lika mycket ström som kommer in på ena sidan måste ut på den andra? Vilka olika vägar skulle den kunna ta?
Kan du markera med pilar vad du menar?
Jaha okej. Men kommer det att gå lika stor ström genom varenda resistor i det här kopplingsschemat?
Nej, men du ser att på vissa ställen finns det bara en enda väg framåt. På de ställena måste det vara lika mycket.
Alltså där resistansen är 15ohm så är strömmen lika stor som när strömmen ska ut eller in vilket borde vara 2A
Den är större än 2A. Det går 2A övre vägen i början, och någon okänd ström genom R. Räkna ut från andra hållet istället, för på högersidan vet du allting redan.
Hur kan strömmen vara mindre än 2A? Den borde ju vara mindre för den går igenom resistorer?
Det försvinner ingen ström i resistorn, lika mycket som kommer in måste komma ut.
Varför kommer det ut två olika ström? Där den ena strömmen är x och den andra är 2A?
Vet inte om jag förstår frågan riktigt. Det kommer in någon okänd ström från vänster, sen i första hörnet finns det 2 vägar att ta så då delar den upp sig. Men all ström ska ju vidare till höger sen så då möts de i nästa hörn och går vidare.
Jag menar att det finns två stycken strömmar som delar sig vid den vänstra sidan.
dels strömmen x och strömmen 2A. Hur kommer det sig att det finns 2 stycken strömmar?
Det är ju en ström från början, men sen går den genom alla vägar som finns.
Jaha den delar alltså upp sig i två vägar. Men nu känns det som att jag inte vet hur jag ska göra för att hitta resistansen R
Du vet allting på högersidan. Hur mkt ström går det genom varje väg där?
Vi vet att strömmen vid högersidan är
U=R*I
(60/17) *4.53=U
U= 16V
Ja U=16V. Vad är I?
17/60 Ohm + 15 Ohm =917/60 Ohm.
R=917/6 Ohm
U=16V
U=R*I
I= U/R
I=16v/(917/6) äre så man ska göra
Ja om du sätter in rätt R. Det var väl 60/17?
Vad ska R vara. Dvs vilket R ska jag sätta in?
Vad tycker du själv? Var räknar du ut strömmen nu?
Jag tänkte att R=60/17 Ohm + 15ohm Och att U=16 V
60/17 håller jag med om. 15 hör inte hemma här. Rita ut i bilden över vilken bit du räknar.
Okej man ska alltså bara räkna med de parallellkopplade resistorerna.
1/5 + 1/12 = 1/Rtot
Rtot=17/60 Ohm
U=16 V
R*I=U
(17/60)*I=16
I= (16)/(17/60)=4/255 A
Det är rätt uppställt. Räkna igen.
Vad menar du med räkna igen?
Testa gå igenom din lösning igen. Jämför alla tal med tidigare inlägg och testa alla uträkningar på miniräknare. Hittar du något då?
Rtot =60/17 Ohm
U=16 V
U=R*I
I= U/R
I=(16)/(60/17)=4/255 A

Hur har du räknat??
Aha, parenteserna har hamnat tokigt där. Man brukar räkna ut kortare bråkstreck före längre.
Så 2 + x = 68/15.
Nästa sak du behöver se är att U över R och resistensen på 3 ohm är lika stor.
Okej vi vet att spänningen över resistansen med 3ohm är
U=R*I
6V =3 *2
Spänningen måste alltså i R vara 6V.
Strömmen beräknade vi redan I=60/17 A.
Alltså 6=R*(60/17)
R=1.7 Ohm
60/17 var väl en resistens någon annanstans? Räkna ut strömmen så blir det säkert rätt sen.
4/255 * R=6
R=(6)/(4/255)=382,5Ohm


