Kretsschema motorer.
Hej! Jag har fått en uppgift där jag behöver göra ett kretsschema som ska bestå av ett huvudschema och ett manöverschema på 4 motorer. Uppgiften ser ut såhär:
M1 och M2 direktstartas med varsin startknapp och stoppas med gemensam stoppknapp från 2 olika ställen.
M1 måste starta före M2 och om M1 stannar ska även M2 göra det.
M3 ska starta via temperaturvakt om temperaturen överskrider 50° och stoppas när temperaturen sjunkit igen.
M4 driver ett transportband och ska köras bak och fram. 2 startknapp, gemensam stoppknapp och nödstopp.
Då M3 är igång ska en gul lampa lysa.
Då M4 är igång ska en röd lampa lysa.
Använd dvärgbrytare som säkringar.
Jag har börjat lite på CAD på datorn men har lite svårt att veta vart alla delar ska vara.
Är det någon kunnig som vågar sig på att sketcha ett litet schema så jag kanske förstår lite bättre?
Tack på förhand!
Välkommen till pluggakuten!
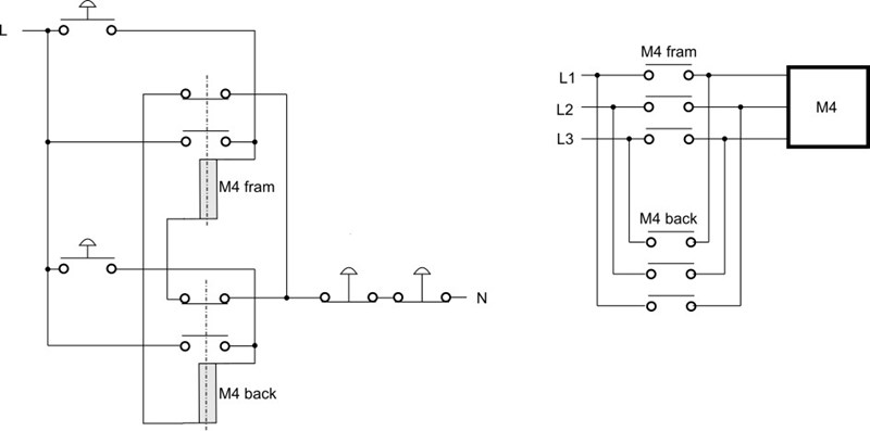
Jag måste erkänna att jag är lite osäker på det här. Jag antar att det handlar om att styra trefasmotorer med hjälp av kontaktorer och tryckknappar. En tänkbart schema för M4 kan kanske se ut så här:

Jag förutsätter att start och stoppknappar sluter eller öppnar så länge man trycker.
Fram och back har varsin startknapp och två stoppknappar i serie. Endast en kontaktor kan vara aktiv åt gången. Kontaktorn "M4 back" växlar två faser så att motorn går åt andra hållet.
Ser det vettigt ut? Jag vet inte hur detta ska ritas på rätt sätt, hoppas det går att förstå ändå.