Likspänningsomvandlare, värde på induktansen
Hej!
Jag hänger inte riktigt med på de två nederst frågorna.
Jag vet att men jag blir osäker på vilka värden detta handlar om. Spänningen genom induktansen uL tänker jag är 60V. Men hur blir den negativ sen? di=0,6A och dt=0,25*10-6s tänker jag.
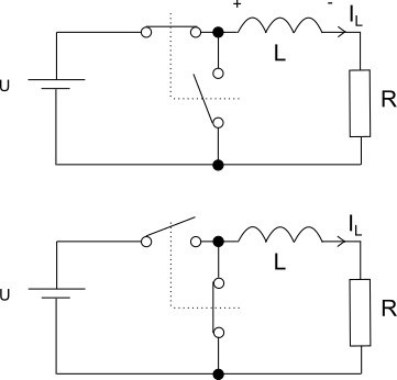
Är lite osäker på vad som menas med "enkvadrants likspänningsomvandlare" men jag antar att det är något sånt här:

Omkopplarna växlar samtidigt. I första fasen är spänningsmatningen inkopplad och i andra fasen driver spolen en ström genom R.
Vad blir polariteten över spolen i andra fasen? Vad blir spänningen över R?
Det betyder att omvandlaren endast kan ändra från en spännings-/strömnivå till en annan men ej byta riktning på dessa. Ingen av dem (ström&spänning) kan alltså byta tecken pga omvandlaren.
Tack för bilderna. Jag vet inte riktigt. Jag tänker att spänningen borde bli noll elelr mycket liten eftersom spänningskällan inte är inkopplad, och att strömderivatan då blir mycket stor.
I fas två, när spolen driver strömmen, så måste spänningen över spolen skifta för att strömmen flyta i samma riktning. Plus till höger och minus till vänster. Minuspolen är också på nollvoltsnivån, jordad om man vill kalla det så.
Vad blir då spänningen över R? (Går att lista ut från diagrammet).
Blir den 20? När spolen driver strömmen tycker jag att spänningen är 20V enligt diagrammen. Hur ska jag tänka med strömmen? Det ser ut som att medelströmmen används i lösningsförslaget, alltså 4A. Hur kommer detta sig?
Japp, den blir 20V. Strömmen kommer långsamt avta från 4.3A ner till 3.7A, med en medelström på 4A. Den kan användas för att räkna ut R.
I verkligheten så borde spänningarna -20V och 60V inte vara helt räta men vi kan nog approximera lite.
Lika väl som vi kan approximera att strömmen faller/stiger rätlinjigt.
Okej, så jag kan använda R=U/I där U=20V och I är medelströmmen under tidsintervallet då U=20?
Ja, det är rätt
Tack för all hjälp!