Lista ut resistansen för att få ut maximal effekt

Hur ska jag beräkna R ifall jag inte har I. Det är något jag missar med tanke på att kanske finns teori på när effekten är som bäst. Det jag kan tänka mig är att R är så lågt som möjligt för jag antar att man är ute efter ett så lågt värde på energi upptagandet av resistorn. Men det känns inte som en giltig motivering för att anta ett värde på R. Syftar på denna formeln:
P=I2R
Jag förstår helt enkelt inte ifall jag bör bara se vad R ska vara eller ifall en beräkning behövs. Jag vet att om jag väljer t.ex. 20ohms så blir den totala R för den parallell kopplingen 10ohms, men varför inte då ta 1ohms så det blir 21/20ohms.
Jag kan inte riktigt förenkla bilden heller för då kommer R bara trasslas in i en stor formel tillslut. Bortsätt från vad jag har nämnt har jag ingen tanke på hur jag ska börja.
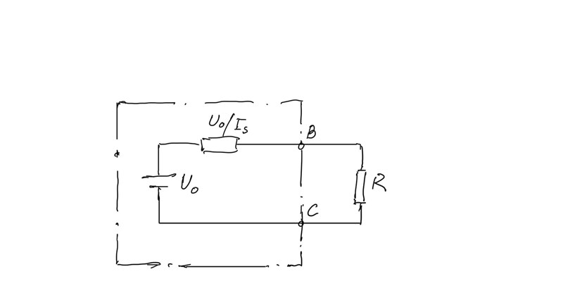
Plocka bort belastningen R och betrakta den inramade kretsen som en black box och ersätt den med den andra ekvivalenta. Den erhålles genom att beräkna tomgångsspänningen Uo (o = open circuit) och kortslutningsströmmen Is (s = short circuit).
När man kommit så lång så kanske man förstår vilket värde på R som ger maximal effekt om man tidigare stött på liknande problem. Om inte, så får man beräkna när effekten P som funktion av R har sitt maximum.



Jag tycker jag har gjort rätt här men om något fel finns så poängtera ut det gärna. Nu är bara slut frågan om maximal effektivitet med ett val av R.
P=I2R
Ger hög effekt desto högre R är men I blir dessutom lägre desto mer R ökar I=V/R. Jag kollar på ett exempel med serie koppling i slutet och då väljs det samma värde på resistance men det förklaras inte varför man väljer det. Jag gjorde lite algebra på sidan av nu i efterhand och insåg ifall jag halverar R så kommer jag få 4x högre P en ursprungliga R och ifall jag tar 2R så kommer jag få en fjärde del av R. Så varför dubblar de i exemplet i serie det är inte maximal effekt? De bör ju halvera den totala resistansen för att få maximal effekt.
Jan Ragnar skrev:Plocka bort belastningen R och betrakta den inramade kretsen som en black box och ersätt den med den andra ekvivalenta. Den erhålles genom att beräkna tomgångsspänningen Uo (o = open circuit) och kortslutningsströmmen Is (s = short circuit).
När man kommit så lång så kanske man förstår vilket värde på R som ger maximal effekt om man tidigare stött på liknande problem. Om inte, så får man beräkna när effekten P som funktion av R har sitt maximum.
glömde citera men har en fortsättning under:
Jan Ragnar skrev:
Tack men detta hjälper mig inte jag kan inte reverse engineer din beräkning. Jag har absolut igen aning hur du fick 96/25.
ger: 32=
Vilket är 5 gånger så mycket än vad du har. Så hur du får 250x5 i nämnaren är ett mysterium för mig.
Jag förstår dock min miss på positionering av 16 ohm resistorn och derivata beräkningen.
Edit:
Jag ser också nu att punkterna A,B,C,D kan se som om det ska vara en korsning där men det är inte meningen. I bilden så visar det tydligt att 20 ohm resistorerna är i serie (kanske ändras när R är där i mellan), då kanske det egentligen inte är 16 ohm? Vi båda behandlar en 20 ohm i taget och tar det inte som 40 ohm. Det bör i så fall vara (alltså den riktiga bilden för frågan ska inte ha några utsatta punkter de satte jag dit för att jag trodde jag skulle behöva vara tydlig med punkterna).
or,
, med att man inte lägger 60 i serie och behandlar den fortfarande som parallellt kopplat med (20+20)ohms
Jan Ragnar skrev:
jag förstår det här men det säger emot mitt värde på 16 ohms, men med faktum att du oxå fick fram det får mig att känna att vi båda räknat fel för värdet på R_i.
Vad är det som är fel?
Om du har facit skulle du ju kunna berätta vad där står.
Är uppgiften korrekt beskriven?
Jan Ragnar skrev:Vad är det som är fel?
Om du har facit skulle du ju kunna berätta vad där står.
Är uppgiften korrekt beskriven?
Tack för all hjälp! Jag löste det när jag förstod prioriteringen av resistorerna för att beräkna ohms.

