Maxwells cirkulerande strömmar

Hej! Det sitter helt fast för mig i hur jag ska göra för att ens ta mig någonstans i denna uppgift. Är det någon som skulle kunna visa för mig vilka steg som ska göras?
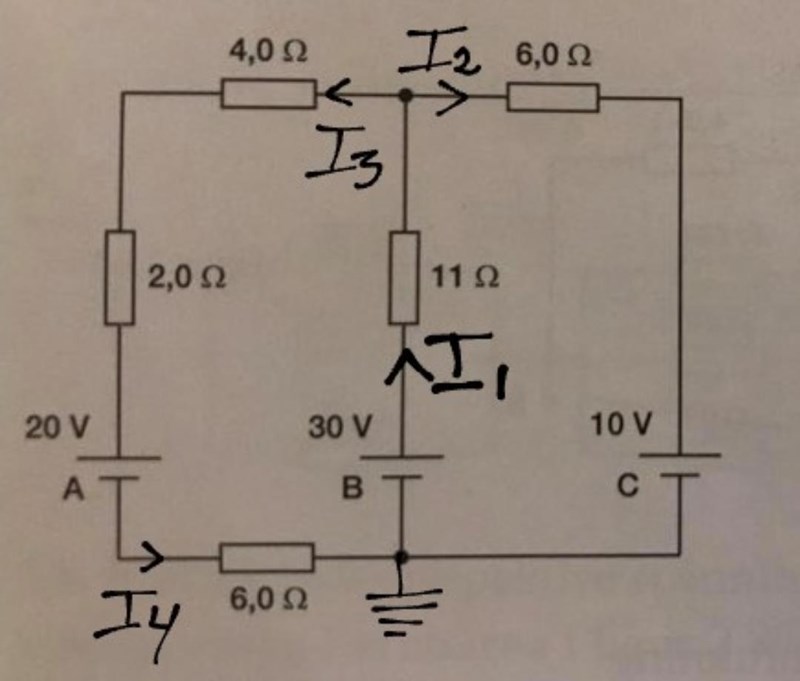
Du har:

Börja med att addera de två resistanserna uppe till vänster och vandra sedan igenom tre slingor. Här är ett exempel på två:

Den vänstra ger:
Den högra ger:
Kan du fortsätta?
Ansätt tre olika strömmar i de tre benen. Använd kirchoffs strömlag i en av noderna. Potentialvandra runt de slutna kretsarna.
Jag har liksom svårt att förstå vad det är som läggs ihop med vad och så. Matten är inte det som blir svårt utan snarare att förstå stegen som behövs att ta för att få de rätta svaren.
Ebola skrev:Du har:
Börja med att addera de två resistanserna uppe till vänster och vandra sedan igenom tre slingor. Här är ett exempel på två:
Den vänstra ger:
Den högra ger:
Kan du fortsätta?
Jag har nog tyvärr fortfarande lite svårt att ta mig till det rätta svaret.. Men det du gångrar "strömmarna" med är alltså resistansen? Du använder dig av summa emk - summa spänningsfall = 0 om jag hänger med rätt?
Ebola skrev:Du har:
Börja med att addera de två resistanserna uppe till vänster och vandra sedan igenom tre slingor. Här är ett exempel på två:
Den vänstra ger:
Den högra ger:
Kan du fortsätta?
Är inte I3 och I4 samma ström?
JohanF skrev:Ebola skrev:Du har:
Börja med att addera de två resistanserna uppe till vänster och vandra sedan igenom tre slingor. Här är ett exempel på två:
Den vänstra ger:
Den högra ger:
Kan du fortsätta?
Är inte I3 och I4 samma ström?
För enligt uppgiften är det 3 strömmar som man ska bestämma storleken och riktningen på. Har lite svårt att veta hur dessa tre strömmar går? För sen räknar jag väl bara från spänningskällan med alla spänningsbortfall som blir för respektive ström?
klarajansssonn skrev:JohanF skrev:Ebola skrev:Du har:
Börja med att addera de två resistanserna uppe till vänster och vandra sedan igenom tre slingor. Här är ett exempel på två:
Den vänstra ger:
Den högra ger:
Kan du fortsätta?
Är inte I3 och I4 samma ström?
För enligt uppgiften är det 3 strömmar som man ska bestämma storleken och riktningen på. Har lite svårt att veta hur dessa tre strömmar går? För sen räknar jag väl bara från spänningskällan med alla spänningsbortfall som blir för respektive ström?
Det var bara en detaljfråga till Ebola. Det enda vi vet om strömmarna (före du räknat ut dem) är att de ska följa Kirchoffs strömlag i noderna (vilket ger den tredje nödvändiga ekvationen för att lösa de tre obekanta strömmarna).
Så du måste först förstå, och sedan lösa de ekvationer som Ebola ställde upp. De kunde han ställa upp genom att potentialvandra genom de två delkretsarna.
JohanF skrev:klarajansssonn skrev:JohanF skrev:Ebola skrev:Du har:
Börja med att addera de två resistanserna uppe till vänster och vandra sedan igenom tre slingor. Här är ett exempel på två:
Den vänstra ger:
Den högra ger:
Kan du fortsätta?
Är inte I3 och I4 samma ström?
För enligt uppgiften är det 3 strömmar som man ska bestämma storleken och riktningen på. Har lite svårt att veta hur dessa tre strömmar går? För sen räknar jag väl bara från spänningskällan med alla spänningsbortfall som blir för respektive ström?
Det var bara en detaljfråga till Ebola. Det enda vi vet om strömmarna (före du räknat ut dem) är att de ska följa Kirchoffs strömlag i noderna (vilket ger den tredje nödvändiga ekvationen för att lösa de tre obekanta strömmarna).
Så du måste först förstå, och sedan lösa de ekvationer som Ebola ställde upp. De kunde han ställa upp genom att potentialvandra genom de två delkretsarna.
Men du nu kanske jag är något på spåren! För när jag förstått ekvationerna Ebola ställt upp och räknat på dem så borde jag kunna använda mig av eller tänker jag tokigt? och hur gör jag med ekvationerna då man blandar strömmar med varandra?
Jag tror att du verkar vara på rätt väg. Du får tre obekanta strömmar och tre ekvationer, bara matte. Testa och se var du landar.
JohanF skrev:Jag tror att du verkar vara på rätt väg. Du får tre obekanta strömmar och tre ekvationer, bara matte. Testa och se var du landar.
Nu har jag löst uppfiften! Tack så mycket för all hjälp!