6 svar
388 visningar
Anonym_15 behöver inte mer hjälp
Anonym_15 989
Postad: 10 maj 2025 17:47

Mycket klurig uppgift gällande kretsar

Hej, vet inte riktigt vart jag ska börja?

Pieter Kuiper 9458 – Avstängd
Postad: 10 maj 2025 18:36 Redigerad: 10 maj 2025 18:37

Hur stor är spänningen över lampan?

Sedan fanns ju endast heltalsvärden, så det är enkelt att börja genom att testa sig fram!

Anonym_15 989
Postad: 10 maj 2025 20:18

6 volt? Är lampan parallellkopplad med motståndet? Isåfall har motståndet också 6 volt? Men U tot är ju 12 volt?

Pieter Kuiper 9458 – Avstängd
Postad: 10 maj 2025 20:34

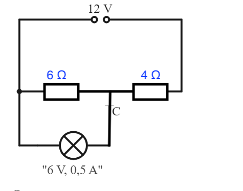
Lampan är parallellkopplad med en del av motståndet, med RAC.

Detta är seriekopplat med RCB.
Så: hur stor är spänningen över RCB ?

Om man inte kommer på något bättre är det enklaste sättet att testa sig fram.

hansa 212
Postad: 10 maj 2025 22:55

Sätt delresistanserna till x och 10-x. Eftersom lampan skall ha sina nominella värden blir strömmen genom  den 0,5 A och spänningen över den 6 V. Då blir strömmen genom x 6/x A. För höger del blir summaströmmen 0,5 + 6/x och spänningen (10-x)(0,5+6/x)=6.

Detta är en andragradsekvation med den positiva lösningen x=6.

Man kan kontrollera att strömmen över x (1 A) ger summaströmmen 1,5 A som över höger resistans 4 Ohm ger spänningen 6V.

Så man behöver inte testa sig fram.

Alla såna här problem går att lösa konvergent med Ohms lag och Kirchhoffs lagar.

Anonym_15 989
Postad: 11 maj 2025 20:32 Redigerad: 11 maj 2025 20:32

Men hur vet du att motståndet är parallellkopplade och därigenom har samma spänning över sig? Är det så att lampan är parallellkopplad med AC som i sin tur är seriekopplad med CB eller är lampan också parallellkopplad med CB?

Pieter Kuiper 9458 – Avstängd
Postad: 11 maj 2025 20:57 Redigerad: 11 maj 2025 21:00
Anonym_15 skrev:

Men hur vet du att motståndet är parallellkopplade och därigenom har samma spänning över sig? Är det så att lampan är parallellkopplad med AC som i sin tur är seriekopplad med CB eller är lampan också parallellkopplad med CB?

Detta är schemat:
(Dessa värden i blå är bara en av tio möjliga val. Kolla om det skulle kunna stämma så. Om inte, testa ett annat stånd av vridmotståndet.)

Svara
Close