Nodanalys
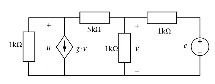
Hej, helt ny inom nodanalys och jag ska bestämma spänningen u och till att börja med. Jag måste alltså använda nodanalys enligt uppgiften. , Kretsen: 
Jag har börjat att med att sätta ut jord och väsentliga noder. Målet är att hitta potentialen i de väsentliga noderna och via ett ekvationssystem för att till slut använda KVL för att få värdet på u. Vet inte om detta är rätt tänkt.

Jag blir lite stum när jag ska gå neråt från för att bestämma potentialen. Har aldrig haft och göra med VCCS tidigare i detta sammanhang så vet inte om nedan är korrekt. Ett ytterligare problem blir att när jag gör ett ekvationssystem så har jag en term uttryckt i enheten A/V (ampere/volt) och i övre ES har jag en term med enheten V. När jag sedan löser ES har jag två olika enheter som jag inte vet hur man löser.
Var lite svårt att uttrycka mig här så är det något ni inte förstår fråga bara!
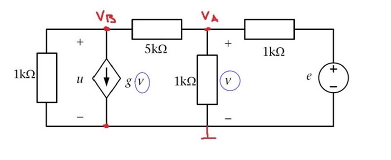
Den första ekvationen, för strömmarna i noden Va, ser rätt ut men ekvationen för noden Vb ser lite konstig ut.
Strömgeneratorn ger strömmen g*v och v = Va. Då skulle den ekvationen bli:
(Tänk på att g anges som mA/V. Därför kommer det in ett 10^-3)
ThomasN skrev:Den första ekvationen, för strömmarna i noden Va, ser rätt ut men ekvationen för noden Vb ser lite konstig ut.
Strömgeneratorn ger strömmen g*v och v = Va. Då skulle den ekvationen bli:
(Tänk på att g anges som mA/V. Därför kommer det in ett 10^-3)
Det missade jag, tack. Jag antar att du har förväxlat VB med VA?
Jag ändrade lite, strömmarna i noden Va var också fel
Cien skrev:Hej, helt ny inom nodanalys och jag ska bestämma spänningen u och till att börja med. Jag måste alltså använda nodanalys enligt uppgiften. , Kretsen:
Jag har börjat att med att sätta ut jord och väsentliga noder. Målet är att hitta potentialen i de väsentliga noderna och via ett ekvationssystem för att till slut använda KVL för att få värdet på u. Vet inte om detta är rätt tänkt.
Jag blir lite stum när jag ska gå neråt från för att bestämma potentialen. Har aldrig haft och göra med VCCS tidigare i detta sammanhang så vet inte om nedan är korrekt. Ett ytterligare problem blir att när jag gör ett ekvationssystem så har jag en term uttryckt i enheten A/V (ampere/volt) och i övre ES har jag en term med enheten V. När jag sedan löser ES har jag två olika enheter som jag inte vet hur man löser.
Var lite svårt att uttrycka mig här så är det något ni inte förstår fråga bara!
Nod A:
Jag har fått att:
Jag kontrollerar med circuitlab (simulationsprogram) och det verkar som VB är fel. Vet inte varför dock, någon som har en aning?
Cien skrev:Jag har fått att:
Jag kontrollerar med circuitlab (simulationsprogram) och det verkar som VB är fel. Vet inte varför dock, någon som har en aning?
Förlåt, detta stämmer!
Blir inte spänning u potentialen i VB?
Blir effekten i spänningskällan 313.1mW? Vad jag gjorde var att helt enkelt gå från jord till VA genom spänningskällan och löste sedan ut i, dvs.
sen multiplicera jag detta med värdet på spänningskällan, 24V, vilket ger p=313.1mW
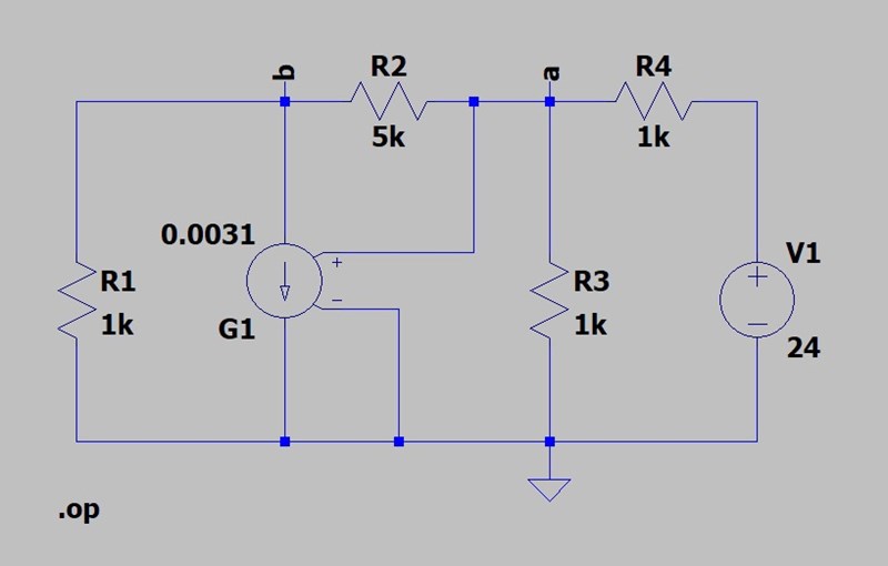
Jag får andra värden på Va och Vb.
Va = 8.944V och Vb -21.615V
Det stämmer med LTSpice-simulering:

--- Operating Point ---
V(n001): 24 voltage
V(b): -21.6149 voltage
V(a): 8.9441 voltage
I(R4): -0.0150559 device_current
I(R3): -0.0089441 device_current
I(R2): 0.0061118 device_current
I(R1): -0.0216149 device_current
I(G1): 0.0277267 device_current
I(V1): -0.0150559 device_current
ThomasN skrev:Jag får andra värden på Va och Vb.
Va = 8.944V och Vb -21.615V
Det stämmer med LTSpice-simulering:
--- Operating Point ---
V(n001): 24 voltage
V(b): -21.6149 voltage
V(a): 8.9441 voltage
I(R4): -0.0150559 device_current
I(R3): -0.0089441 device_current
I(R2): 0.0061118 device_current
I(R1): -0.0216149 device_current
I(G1): 0.0277267 device_current
I(V1): -0.0150559 device_current
Hmmm får dubelkolla imon igen, tack
Hej!
Jag får följande ekvationssystem:
A är samma som du fått, B är en förenkling av uttrycket jag skrev i går.
ThomasN skrev:Hej!
Jag får följande ekvationssystem:
A är samma som du fått, B är en förenkling av uttrycket jag skrev i går.
Jag får följande på B:
ThomasN skrev:Hej!
Jag får följande ekvationssystem:
A är samma som du fått, B är en förenkling av uttrycket jag skrev i går.
Jag ser felet nu, du har tagit Va*g, jag förstår dock inte varför?
Strömmen i strömgeneratorn är g*v och v=Va.
Se de blå ringarna i figuren nedan.

ThomasN skrev:Strömmen i strömgeneratorn är g*v och v=Va.
Se de blå ringarna i figuren nedan.
Aha då är jag med, sorry är helt novis när det gäller detta
Nu stämmer potentialerna, stort tack!
Vill räkna ut hur mycket effekt som avges av spänningskällan, jag räknade ut i genom spänningskällan genom att gå från jord till Va och sedan multiplicerade värdet på i med 24V vilket blev fel, varför kan man inte göra så?
Strömmen från Va till jord är bara en del av strömmen från spänningskällan. Det går ju en ström genom 5kohmaren också, som kommer från spänningskällan.
Strömmen ut från spänningskällan är ju samma sak som strömmen genom 1kohmaren till höger om Va. Du har ju spänningarna i alla noderna så den ska ju gå att räkna ut.
ThomasN skrev:Strömmen från Va till jord är bara en del av strömmen från spänningskällan. Det går ju en ström genom 5kohmaren också, som kommer från spänningskällan.
Strömmen ut från spänningskällan är ju samma sak som strömmen genom 1kohmaren till höger om Va. Du har ju spänningarna i alla noderna så den ska ju gå att räkna ut.
Japp, räcker det inte att jag bara går från jord>moturs till Va och löser ut strömmen där?
Men om jag nu använder
Vilket stämmer enligt simuleringar men facit säger p=0.09864W
Jag tycker både uträkningar och simuleringar säger 360mW. Fattar inte hur det kan bli 98.6mW!!
ThomasN skrev:Jag tycker både uträkningar och simuleringar säger 360mW. Fattar inte hur det kan bli 98.6mW!!
Ja det är lite konstigt, kan det ha något att göra med VCCS källan tro? att man ska addera värdet på den till i?
Hur är uppgiften formulerad? Det verkar ligga en hund begraven här (eller en hel kennel).
Jag måste sluta nu men är tillbaka senare i kväll.
ThomasN skrev:Hur är uppgiften formulerad? Det verkar ligga en hund begraven här (eller en hel kennel).
Jag måste sluta nu men är tillbaka senare i kväll.

Vill tacka för din hjälp, det uppskattas! :)
Lite konstigt att de säger använd värdet på u, då är ju uppgiften redan löst :D. Jag fick som sagt endast värdet på e=24V och g=3.1mA/V
Ja detta var ett mysterium. De måste väl mena att vi ska använda värdena på g och e, inte u och e? (Undras om det finns fler tryckfel :) )
Den enda spänningskällan jag hittar är e och strömmen från den blir ju 15mA. Sen blir det ju väldigt rakt fram att räkna ut avgiven effekt.
Jag räknade på effektutvecklingen i alla motstånden och avgiven effekt från strömgeneratorn också men ingenstans hittar jag några 98.6mW.
Finns det en lösning i facit som är uttryckt i g och u? Kan kanske ge en vink?
ThomasN skrev:Ja detta var ett mysterium. De måste väl mena att vi ska använda värdena på g och e, inte u och e? (Undras om det finns fler tryckfel :) )
Den enda spänningskällan jag hittar är e och strömmen från den blir ju 15mA. Sen blir det ju väldigt rakt fram att räkna ut avgiven effekt.
Jag räknade på effektutvecklingen i alla motstånden och avgiven effekt från strömgeneratorn också men ingenstans hittar jag några 98.6mW.
Finns det en lösning i facit som är uttryckt i g och u? Kan kanske ge en vink?
Jag får fråga läraren helt enkelt, tack för allt återigen!
Om du får en förklaring så posta den gärna här. Jag skulle också vilja veta.
ThomasN skrev:Om du får en förklaring så posta den gärna här. Jag skulle också vilja veta.
Ja det ska jag göra
ThomasN skrev:Om du får en förklaring så posta den gärna här. Jag skulle också vilja veta.
Allt var godkänt :)
Har bara en fråga gällande LTSpice, jag ritade kretsen precis som du gjort men får olika teckenpå vissa strömmar genom några resistorer, vet du varför?

--- Operating Point ---
V(b): -21.6149 voltage
V(a): 8.9441 voltage
V(n001): 24 voltage
I(R2): 0.0061118 device_current
I(R4): 0.0150559 device_current
I(R3): 0.0089441 device_current
I(R1): -0.0216149 device_current
I(G1): 0.0277267 device_current
I(V1): -0.0150559 device_current
Det är så enkelt som att vi har roterat resistanserna olika.
Prova att rotera en resistans 180 grader så får du omvänt tecken på strömmen.
SPICE håller reda på de två anslutningarna och förutsätter att strömmen går från den ena till den andra.
Du kan också göra: View -> SPICE netlist så ser du en "nätlista" för kretsen. Det är en textbaserad beskrivning av hur saker är kopplade.