Nodanalys - fel värde på potential
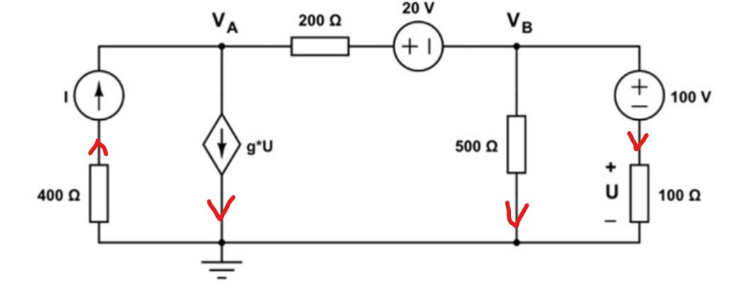
Jag vill lösa denna uppgift:

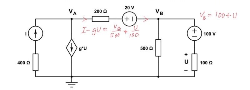
Jag löser den såhär:

Det ger dock fel svar på Vb, vad gör jag för fel?

Du kör KCL på jordnoden, eller hur? Det skulle jag också försöka göra, men jag tror att du tecknar strömmen i den "högraste" slingan fel. Dels måste storleken på den strömmen bli , eller hur?
Och dels så tror jag att du måste rita strömmen i den högraste slingan som att den går in mot jordnoden, så att den utritade polariteten på blir rätt. (eftersom strömriktningarna på strömmen i högraste slingan, och strömmen genom strömgeneratorn gU är sammankopplade, så kan man inte anta att de går åt olika håll i förhållande till jordnoden)

Med de två ekvationerna nedan får man fram värdena på U och VB. Sedan får du skapa ytterligare ett samband för att få fram VA.

Tack för hjälpen!