3 svar
156 visningar
moalouise behöver inte mer hjälp
moalouise 4
Postad: 13 dec 2024 21:01

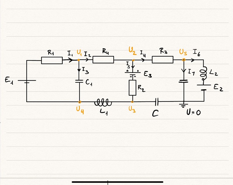
Nodanalys för de fem noderna

Hjälp mig genomföra en nodanalya i de fem noderna 

Jan Ragnar 2219
Postad: 14 dec 2024 00:33

Varför skall man göra nodanalys på en sådan här krets? Vad skall beräknas? Finns det komponentvärden? Fem okända spänningar och sju okända strömmar känns lite tungt.

Oftast beräknar man överföringsfunktioner för en krets eller förstärkningar/dämpningar, men detta verkar udda.

Jan Ragnar 2219
Postad: 14 dec 2024 08:52

Kommentaren ovan var nog inte helt genomtänkt. Det bör väl vara likströmmar och potentialer man frågar om. De flesta strömmarna är noll pga kondensatorer. Men utan komponentvärden kan man inte göra så mycket.

D4NIEL Online 3515
Postad: 14 dec 2024 14:12 Redigerad: 14 dec 2024 15:04

Tror det skulle klarna om vi kunde få en bild på uppgiften. Jag gissar att det är en övning i nodanalys med jωj\omega-metoden. Men det är oklart vad som är känt, varför kondensatorerna har olika beteckningar C,C1C,C_1, varför en kondensator helt saknar beteckning och om det är ett likströms-, eller växelströmsnät.

Svara
Close