3
svar
140
visningar
Aorta behöver inte mer hjälp
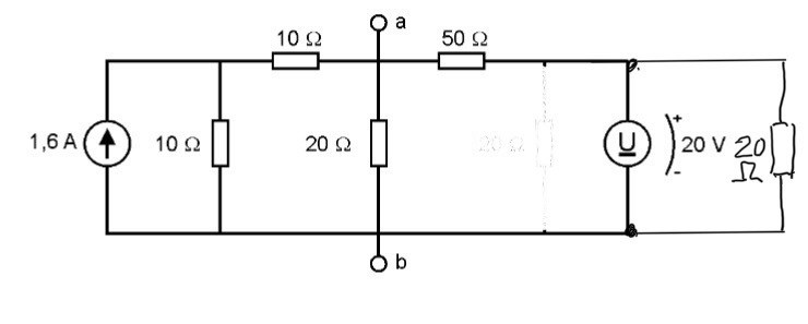
Nodspänningsmetoden
Hej!
På nod 2 får jag inte samma uppställning på strömmarna som lösningsförslaget får. På min lösning har jag kallat strömmen jag gör fel på för I7, inringat med rött. Jag förstår att den är fel men vet inte hur jag annars ska räkna med den. I lösningsförslaget tycker jag att det ser ut som att de helt har bortsett från den. Ska jag på något sätt räkna samman den och I4 (längst till höger)? Eller är det korrekt att bortse från den?



Kan det vara så att I7 kortsluts pga spänningskälllan som är bredvid?
Ritar man om kretsen som nedan inser man att 20 ohmsmotståndet inte påverkar det som sker till vänster om spänningskällan.

Tack för hjälpen!