13 svar
225 visningar
Na5a behöver inte mer hjälp
Na5a 422
Postad: 2 apr 2024 17:12

OP-amp : Ingång ej kopplad till jord?

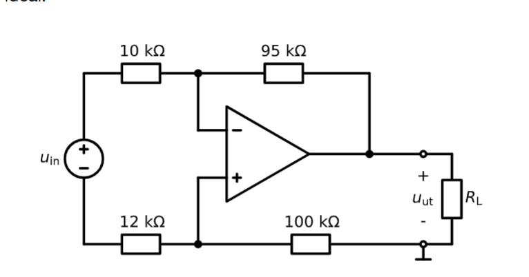
Varför är V+ = 0? Är den inte kopplad till jord?

Jan Ragnar 2228
Postad: 2 apr 2024 22:08

Finns det inte en tillhörande text till uppgiften och inte endast ett kretsschema?

Na5a 422
Postad: 2 apr 2024 22:27

Detta är den tillhörande texten:

Bestäm inspänningen Uin i kretsen nedan om spänningen Uut över den resistiva lasten RL skallvara +5 V. RL = 10 kΩ. OP-förstärkaren kan betraktas som ideal.

Jan Ragnar 2228
Postad: 2 apr 2024 23:27

Nej, V+ verkar ju inte vara lika med noll. Däremot reglerar OPn så att ingångarna hamnar på samma potential.

Na5a 422
Postad: 3 apr 2024 00:07

Tack för hjälpen!

Jan Ragnar 2228
Postad: 3 apr 2024 23:39

Vad söger facit att svaret är?

Na5a 422
Postad: 6 apr 2024 17:23

Ursäkta sent svar, det här säger facit:

Pieter Kuiper 9458 – Avstängd
Postad: 6 apr 2024 17:40
Na5a skrev:

Varför är V+ = 0? Är den inte kopplad till jord?

När lasten RL är borta (∞), måste strömmen genom 100 k vara lika med noll.

Na5a 422
Postad: 6 apr 2024 18:48
Pieter Kuiper skrev:
Na5a skrev:

Varför är V+ = 0? Är den inte kopplad till jord?

När lasten RL är borta (∞), måste strömmen genom 100 k vara lika med noll.

Tack!

Jan Ragnar 2228
Postad: 7 apr 2024 09:16

Strömmen genom belastningsmotståndet tror jag inte går vidare genom 100 kΩ-aren. Däremot är det inte förklarat varför OP-ns utspänning blir just +5 V. OP-n har också (inte utritade) anslutningar till matningsspänningar och jord.

Pieter Kuiper 9458 – Avstängd
Postad: 7 apr 2024 09:28 Redigerad: 7 apr 2024 09:28
Jan Ragnar skrev:OP-n har också (inte utritade) anslutningar till matningsspänningar och jord.

Precis. Därför giller jag inte använda "nodanalys" för OP-förstärkare.

Na5a 422
Postad: 7 apr 2024 21:15
Pieter Kuiper skrev:

Precis. Därför giller jag inte använda "nodanalys" för OP-förstärkare.

Vad brukar du använda?

Pieter Kuiper 9458 – Avstängd
Postad: 7 apr 2024 21:21 Redigerad: 7 apr 2024 21:21
Na5a skrev:
Pieter Kuiper skrev:

Precis. Därför giller jag inte använda "nodanalys" för OP-förstärkare.

Vad brukar du använda?

Två regler: 

  • det går ingen ström in i ingångarna
  • båda ingångar har samma potential om utgången ligger mellan min- och max-värde.
Na5a 422
Postad: 8 apr 2024 19:55

Tack!

Svara
Close