Överförningsfunktion för krets
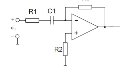
Jag har denna krets som jag försöker bestämma överförningsfunktion till:
Såhär gör jag men det känns som att jag har kommit fel med uppgiften. Skulle det vara smartare att att räkna ut överförningsfunktionen separat för de? Har jag räknat rätt?

Na5a skrev:Skulle det vara smartare att att räkna ut överförningsfunktionen separat för de?
Ja, och det var säkert meningen att du skulle göra så. Skissa Bodediagrammen!
Det ser ut som ett bandpassfilter.
Tack, beräkningarna blev mycket enklare! En fråga, är det rätt med tecken? Ska det vara minustecken i den slutgiltiga överförningsfunktionen?


Ska det vara minustecken i den slutgiltiga överförningsfunktionen?
Ja det ska det. Det första steget är inverterande, det andra är det inte. Så totalt sett blir hela förstärkaren inverterande.
Tack!
Jag vill försöka rita bode diagrammen som uppgiften beskriver, men jag fattar inte vad de här värderna säger till mig. Vad behöver jag tänka på för att komma vidare i uppgiften?

Na5a skrev:Jag vill försöka rita bode diagrammen som uppgiften beskriver, men jag fattar inte vad de här värderna säger till mig. Vad behöver jag tänka på för att komma vidare i uppgiften?
Skissa först diagrammet för den ena förstärkaren (highpass). Sedan det andra (lowpass).

Såhär? Jag vill försöka rita det asymptotiska. Jag ser att jag har använt fel brytfrekvens för HP skissen
EDIT: Nu fattar jag, LP ser konstig ut. Det är bara att kombinera dessa och få slutgiltiga ploten. Tack för hjälpen!
Detta är det jag har kommit fram till, men jag misstänker att det är fel. Hur påverkar egentligen SR3C1 ploten?

Na5a skrev:Detta är det jag har kommit fram till, men jag misstänker att det är fel. Hur påverkar egentligen SR3C1 ploten?
Ja, det ska bli något sådant. Men det är för jobbigt att försöka följa.
Skriv några ord! Kosta på dig att skriva ut förkortningar som LP och HP så att vi inte behöver undra en tid innan man kommer på det. Och jag kan inte riktigt se vilka värden dina 3dB-frekvenserna har eller hur du har räknat fram dem.
Ursäktar, är detta tydligare?


Tack, det är tydligare.
Så high-pass delen är första delen av kretsen:
För höga frekvensen är förstärkningen -R3/R1 = -33/4,7 ≈ -7, alltså 8,5 dB med en fasändring på 180o.
Dina 3dB-frekvenser verkar vara i hertz.
Så axeln behöver fixas, men jag förstår inte om fasändringen? Innebär det att grafen ska inverteras?
Na5a skrev:Så axeln behöver fixas, men jag förstår inte om fasändringen? Innebär det att grafen ska inverteras?
Jag vet inte hur noga det är men Bode-diagrammet för fas behöver nog fixas.
för fasen då: I och med att jag redan har ett minus tecken i överförningsfunktionen, skulle inte 180 grader till det göra så att det jag har ritat blir rätt?
Ja, minustecknet i överföringsfunktionen för H1 betyder att den ger -180 grader utöver vad R- och C-komponenterna ger.
H1 har väl förstärkningen -7 i passbandet. Det ger . (x20 eftersom vi har amplituder här).
Jag ser inte att den är med.
Sen tror jag det blivit fel på gränsfrekvensen för lågpassfiltret R4, C2. Det borde bli kHz i stället för Hz. Fel värde på C2 kanske?
tack, då förstår jag! Jag får justera diagrammen och värden.
Tack för eran hjälp!
