Parallelkoppling och seriekoppling

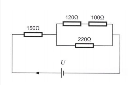
Jag har beräknat att spänningen är 6.24 ohm. Jag vet att strömmen som går från spänningskällan är 0.024 A. Därför vet jag att spänningen över 150 ohms motståndet är 3.6 volt. Vidare vet jag att spänningarna över motstånden i en seriekoppling kan adderas för att få spänningskällans spänning. Kan jag därför subtrahera 6,24-3,6 och får då 2,64. Den spänningen ska delas i 2 eftersom parallelkopplingar har samma spänning över sig.
Har därför 120 ohm och 100 ohm totalt spänning 1,32v samt 220 ohm spänningen 1,32 volt? Det känns som att det här är fel
Ser ut som du gjort i stort sett rätt utom:
Den spänningen ska delas i 2 eftersom parallelkopplingar har samma spänning över sig.
Det stämmer inte. Komponenterna i en parallellkoppling har samma spänning över sig. Spänningen över 220ohm och 120+100ohm är densamma.