Parallellkoppla batterier
Varför lyser inte en lampa som är parallellkopplade med 2 batterier starkare? Dvs oavsett hur många batterier man parallellkopplar så ändras inte strömmen. Fast seriekopplade batterier gör att lampan lyser starkare, (ju mer batteri, desto starkare ström).
Det är spänningen över en lampa som avgör hur stor strömmen genom den blir.
Laguna skrev:Det är spänningen över en lampa som avgör hur stor strömmen genom den blir.
Men borde det inte bli mer spänning om det finns fler batterier?
Inte om de är parallellkopplade.
Laguna skrev:Inte om de är parallellkopplade.
Varför ?
Jag har inget bra svar på det. Hoppas någon annan har det.
Jag ska göra ett försök.
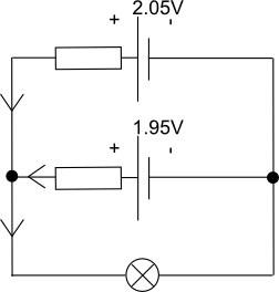
Om batterierna är exakt likadana så kommer spänningen över lampan att bli, i detta fallet, 2V.
Varje batteri kommer att bidra med lika mycket ström till lampan.
Här förutsätter vi att vi har ideala komponenter. Dvs batterierna har verkligen exakt samma spänning och ingen inre resistans.
I verkligheten har ju två batterier inte exakt samma spänning och de har dessutom en liten inre resistans.

I detta fallet är det det övre batteriet som bidar med det mesta av strömmen p.g.a sin högre spänning. Hur strömmarna fördelar sig beror på de inre resistanserna och lampans resistans. I vissa fall kan det t.o.m. bli så att det övre batteriet driver ström in i det nedre t.ex om man tar bort lampan.
Som du förstår är det är väldigt ovanligt att man parallellkopplar batterier.
Som du förstår är det är väldigt ovanligt att man parallellkopplar batterier.
Nej, det är inte särskilt ovanligt, jag har åtskilliga apparater där flera batterier är parallellkopplade, men då står det väldigt tydligt i bruksanvisningen att man skall byta alla batterier samtidigt, och att batterierna skall vara likadana,
Njaee... Har du kollat hur batterierna är kopplade till varandra? Hur sitter metallblecken i batterihållaren?
Jag kollade fjärrkontrollerna jag har här hemma (sju stycken!) och alla hade batterierna kopplade i serie.
Man kan ofta se att batterierna ska vändas åt olika håll för att göra seriekopplingen enkel i batterihållaren.
Jag kan ju ha tagit fel, man jag har för mig att vi har mätt spänningen vid något tillfälle.