Polspänning och EMS C-fråga

Jag hade tänkt att polspänning blev minst i B då polspänning = ems - RI. Då det bara är en R måste därför polspänningen vara mindre i den med mindre resistans. Hur ska man tänka här?
Välkommen till Pluggakuten!
Allra först tycker jag uppgiftsskaparen borde ha markerat batteriets poler i figurerna. Jag tolkar dem så att den vänstra vertikala resistansen R1 är den inre resistansen.
I figur C lämnar batteriet ingen ström och vi får den största polspänningen.
I figur B är batteriet kortslutet och spänningen över polerna är 0 volt.
I figur A blir polspänningen någonstans mellan B och C.
Håller med om att batteriets poler borde ha märkts ut.
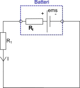
Men jag tror att alla R1 är yttre resistanser med samma värde, batteriets inre resistans finns i batteriet men är inte utritad. Så här ungefär (fall B):
När blir polspänningen som lägst? Vid hög eller låg ström?
Jag tror du tänker rätt.
ThomasN skrev:Håller med om att batteriets poler borde ha märkts ut.
Men jag tror att alla R1 är yttre resistanser med samma värde, batteriets inre resistans finns i batteriet men är inte utritad. Så här ungefär (fall B):
När blir polspänningen som lägst? Vid hög eller låg ström?
Jag tror du tänker rätt.
Då strömmen är hög. U = EMS - RI. Ju större strömmen är desto mindre polspänningen blir. Och strömmen minskar med ökad resistans.
Precis!
Så polspänningen är som lägst i fall B och som högst i fall C. Överens?