Potential. Hur mycket ström går det i ledaren?
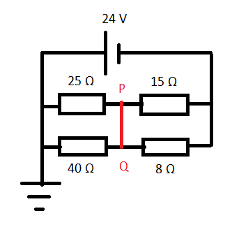
Det går ut på att man har följande krets:

Jag har sedan tidigare räknat ut att potentialen i punkten P är -15 V och i punkten Q -20 V.
Men nu drar man en ledare mellan P och Q (markerat med rött i bilden), och man skall räkna ut hur mycket ström det går genom ledaren.
Om man INTE har ledaren så är den "övre" strömmen 0,6 A, och den "undre" 0,5 A. Och eftersom potentialen hos P är större än Q, så kan strömmen vid 8 Ω gå från 2 håll!
Jag har försökt beräkna strömmen, men då måste jag ha spänningen, och då får jag att potentialen i P och Q måste vara identiska... Men jag vet inte hur stor den "nya" potentialen är!
Jag blir så förvirrad!!! All hjälp uppskattas :)
När du kopplar ihop P och Q får du en ny situation.
Första steget för att gå vidare är att förenkla kopplingen. Du har nu två parallellkopplingar med motstånden, räkna ut resulterande resistanser. Sen kan du nog räkna ut potentialen i PQ.
ThomasN skrev:När du kopplar ihop P och Q får du en ny situation.
Första steget för att gå vidare är att förenkla kopplingen. Du har nu två parallellkopplingar med motstånden, räkna ut resulterande resistanser. Sen kan du nog räkna ut potentialen i PQ.
Jag försökte, men problemet är att vid Q så kan strömmen komma in från 2 punkter, antingen från P, eller från 40 Ω. Strömmen kan alltså gå åt 3 håll: 25-15, 25-8 eller 40-8. Dessutom, så är strömmen olika stor vid de 2 motstånden, så det går inte att räkna ut den med formler.
Uppdatering: Jag försökte räkna på strömmarna och kom fram till följande:

Jag skall se hur långt jag kommer med det.
Vad är det du ska räkna ut? Både spänningar och strömmar?
Det blir en del räknande men bör gå.
Mitt alternativ är att börja med detta:

När du har potentialen i P,Q kan man räkna ut alla strömmarna genom motstånden.
ThomasN skrev:Vad är det du ska räkna ut? Både spänningar och strömmar?
Det blir en del räknande men bör gå.
Mitt alternativ är att börja med detta:
När du har potentialen i P,Q kan man räkna ut alla strömmarna genom motstånden.
Hur fick du fram det diagrammet?
Jag lyckades lösa uppgiften! Med paralellkopplingarna blir det betydligt tydligare, och jag lyckades få fram ersättningsresistansen, och utifrån den räkna ut potentialen/spänningskillnaden, och därifrån få de olika strömmarna. Svaret blev 0,31 A vilket stämmer enligt facit!
Men det jag inte förstår, är hur man kan omvandla det ursprungliga diagrammet till parallellkopplingar på det viset. Kan någon förklara?
Det viktiga är att komma ihåg är att det är ett diagram. Allt det visar är vilka komponenter som är ihopkopplade med varandra (och hur).
Ledningarna/sladdarna har noll resistans i fysikboken, så längden av dem spelar ingen roll. Det spelar heller ingen roll hur rakt eller krokigt man drar dem, så länge man inte förändrar vad som är anslutet till vad.
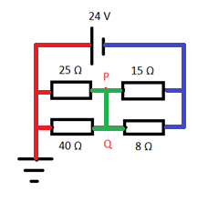
Här justerar jag P och Q lite grann:

Sedan drar jag lite mer i P och Q, så att den röda blir kortare. Det är fortfarande samma krets.

Till slut är det inget kvar av den röda tråden och det är lättare att se att det är två parallellkopplingar:


Allt som betyder något är hur komponenterna är ihopkopplade.
De två motstånden till vänster är kopplade till (1) batteriets pluspol. Den ledningen (eller "noden") har jag markerat med rött. De två motstånden är också kopplade till P och Q som jag markerat med grönt. Rent elektriskt är det en och samma punkt.
Sedan är de högra motstånden anslutna till samma gröna P/Q-punkt, samt till batteriets minuspol (blått).

Tänk att alla ledningar är gummiband som kan bli hur långa som helst, eller krympa ihop till en enda punkt. Så länge du inte förändrar hur gummibanden är anslutna till dina komponenter (batterier, lampor, resistorer, jordpunkten, ...) så får du dra i dem precis hur mycket du vill.
Ahhhhh! Jag tänkte inte på att man kan "komprimera" PQ-ledningen på det viset. Nu förstår jag hur det fungerar. Tack för alla svar! :D