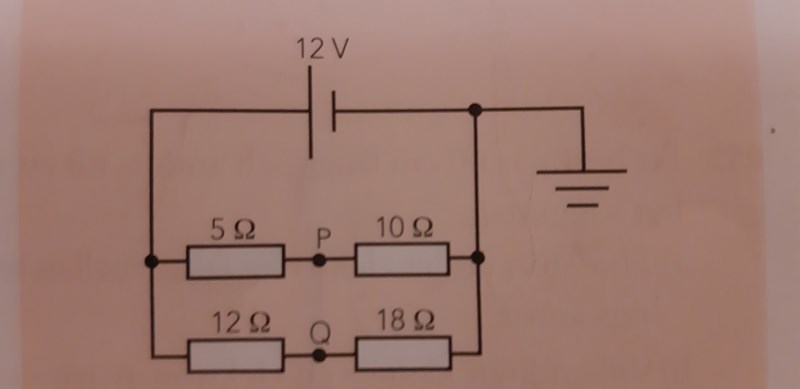
Potential i krets
b, Vad visar en voltmeter som kopplas in mellan P och Q?
c, Vi tänker oss att vi förbinder P och Q med en ledningstråd. Åt vilket håll går strömmen i denna tråd?
Mitt försök
b) Jag vet inte vad som menas med frågan. Ska man liksom förbinda P och Q och placera en voltmeter emellan? Om det är så hur fortsätter jag?
Punkt b har potentialen 8v
Punk c har potentialen 7.2v
Jag tänkte på resistansen, dvs att ström vill helst gå en väg med mindre resistans så jag gissade att det gick från Q till P men tydligen har jag fel och det står i facit att det går "från P till Q då ström alltid går från en punkt med hög potential till en punkt med lägre potential". Det känns som att dessa två lagar inte går hand i hand med varandra. Hur ska jag tänka här?
Jag behöver nog en figur för att jag ska förstå.
ThomasN skrev:Jag behöver nog en figur för att jag ska förstå.
Jag trodde att jag lade upp en bild, men här är den.

b) En voltmeter som kopplas in mellan P och Q påverkar inga strömmar och spänningar i kretsen. En ideal voltmeter har oändlig resistans, en riktig voltmeter har en resistans på 1Mohm och uppåt.
Uppgiften handlar helt enkelt om att räkna ut spänningen mellan P och Q. (Det ser ut som du nästan har gjort det).
c) När vi sätter en ledning mellan P och Q så får de samma potential. Du får olika strömmar genom de olika motstånden som går att räkna ut med Ohms lag och Kirchhofs lagar.
ThomasN skrev:b) En voltmeter som kopplas in mellan P och Q påverkar inga strömmar och spänningar i kretsen. En ideal voltmeter har oändlig resistans, en riktig voltmeter har en resistans på 1Mohm och uppåt.
Uppgiften handlar helt enkelt om att räkna ut spänningen mellan P och Q. (Det ser ut som du nästan har gjort det).c) När vi sätter en ledning mellan P och Q så får de samma potential. Du får olika strömmar genom de olika motstånden som går att räkna ut med Ohms lag och Kirchhofs lagar.
b) Hur ska man koppla de, är det med en tråd i mitten som jag har ritat upp nedan, och om ja stämmer det att potential skillnaden är 8V - 7,2V = 0,8V
c) Jag undrar om vilket håll strömmen går ? Asså är det från P till Q, eller tvärtom. Hur hjälper att räkna ut strömmen i resistanserna med att avgöra vilket håll strömmen rör sig?

Väldigt tacksam för svaret:)
Ja potentialerna i P respektive Q är 8 och 7,2 V, Voltmetern visar 0,8 V
b uppgiften är som du ritat i figuren.
c uppgiften, där ska du ersätt voltmetern med en tråd. Strömmen går från högre potential till lägre, dvs från P till Q.
Storleken på strömmen kan du få fram genom att rita dit tråden och använda ohms lag och kirschoffs lagar på lite olika sätt. Försök och visa hur du gjort så hjälper vi dig vidare vid behov.
Ture skrev:Strömmen går från högre potential till lägre, dvs från P till Q.
Men ström vill ju helst gå en väg med mindre resistans vilket betyder att den borde gå från P till Q, fast ändå så går ström alltid går från en punkt med hög potential till en punkt med lägre potential". dvs (från Q till P). Det verkar som att dessa två lagar inte går hand i hand med varandra. Jag fattar inte vilka lagar som gäller olika situationerna?
Jag fattar inte vilka lagar som gäller olika situationerna?
Alla lagarna gäller hela tiden.
Smaragdalena skrev:Jag fattar inte vilka lagar som gäller olika situationerna?
Alla lagarna gäller hela tiden.
Men hur kan de inte stämma då?
Tiger skrev:Smaragdalena skrev:Jag fattar inte vilka lagar som gäller olika situationerna?
Alla lagarna gäller hela tiden.
Men hur kan de inte överensstämma då?
Tiger skrev:Tiger skrev:Smaragdalena skrev:Jag fattar inte vilka lagar som gäller olika situationerna?
Alla lagarna gäller hela tiden.
Men hur kan de inte överensstämma då?
Tiger, det står i Pluggakutens regler att du skall vänta åtminstone 24 timmar innan du bumpar din tråd. /moderator
Tiger skrev:
Men ström vill ju helst gå en väg med mindre resistans vilket betyder att den borde gå från P till Q, fast ändå så går ström alltid går från en punkt med hög potential till en punkt med lägre potential". dvs (från Q till P). Det verkar som att dessa två lagar inte går hand i hand med varandra. Jag fattar inte vilka lagar som gäller olika situationerna?
Innan man kopplar ihop så har P högre potential (8V) än Q (7.2V). Därför kommer sedan strömmen i ledaren att gå från P till Q.
Uppgiften frågade bara om riktningen, inte storleken men om du vill kan vi räkna ut storleken också. Har ni gått igenom Kirchhofs lagar?
ThomasN skrev:
Tiger skrev:
Men ström vill ju helst gå en väg med mindre resistans vilket betyder att den borde gå från P till Q, fast ändå så går ström alltid går från en punkt med hög potential till en punkt med lägre potential". dvs (från Q till P). Det verkar som att dessa två lagar inte går hand i hand med varandra. Jag fattar inte vilka lagar som gäller olika situationerna?
Innan man kopplar ihop så har P högre potential (8V) än Q (7.2V). Därför kommer sedan strömmen i ledaren att gå från P till Q.
Uppgiften frågade bara om riktningen, inte storleken men om du vill kan vi räkna ut storleken också. Har ni gått igenom Kirchhofs lagar?
Jag tror ni missförstår mig, och det känns som att jag är ute och cyklar.
Så låt mig förklara vad jag menade. Om vi till exempel parallell kopplar en lampa och en voltmeter med ett batteri, så kommer ingen ström att gå genom voltmetern då resistansen är för hög. Detta säger oss att ström hellre tar en väg med lägre resistans.
I detta fall finns det ju en resistans på 18 ohm vid punkten Q och en resistans med 10 ohm i punkten P. Eftersom ström vill ha en väg med lägre resistans så borde den ju gå från Q till P.
Fast "ström går från hög potential till lägre", vilket betyder att strömmen går istället från P till Q. Jag är jätteförvirrad.
Förresten ja, jag har gått genom Kirchhofs lagar.
Uppskattar hjälpen
Inget fel i att vara ute och cykla ibland, det är då man kan få en aha-upplevelse om man har lite tur. Jag ska försöka att ge dig en.
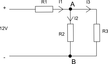
Att strömmen tar lättaste vägen stämmer till viss del. Om man har två parallellkopplade resistanser så kommer det att gå mer ström i den lägre resistansen och mindre i den högre. Det blir inte så att all ström går genom den lägsta resistansen och ingen i den högre resistansen. I ditt exempel med voltmeter, batteri och lampa:

Här har jag satt att voltmetern har en resistans på 10Mohm. Genom lampan går strömmen 12/10 = 1.2A och genom voltmetern går det 12/107 = 1.2x10-6 A. Två saker kan vara värt att tänka på:
1. Strömmen genom lampan är oberoende av strömmen genom voltmetern, och även omvänt. Det är bara ohms lag som gäller, I = U/R.
2. Man kan se att strömmen genom voltmetern är en miljondel jämfört med strömmen genom lampan, så därför kan den försummas.
Här är ett lite krångligare exempel:

Här har vi R1 i serie med två parallellkopplade resistanser. Då kommer strömmen att dela upp sig i punkten A (och gå ihop i punkten B). De parallellkopplade motstånden har samma spänning över sig, vi kallar den U, så genom att använda ohms lag igen kan vi skriva:
U = I2 x R2 och U = I3 x R3
<=>
I2 x R2 = I3 x R3
<=>
I2/I3 = R3/R2
Fördelningen av strömmen beror alltså på R2 och R3. Är de lika går lika mycket i varje gren, om R3 = 2 x R2 blir I2 två gånger större än I3.
Hoppas det gav lite och att jag inte bara tjatade om självklara saker.