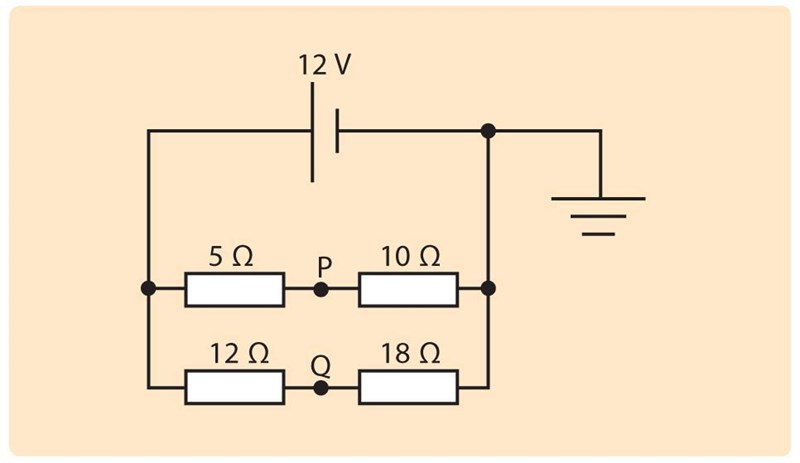
Potential mellan punkt P och Q
Hej! Jag har fastnat på denna uppgift ett tag och skulle bli tacksam för hjälp!
Bestäm potentialerna VP och VQ i punkterna P och Q.

Jag började med att beräkna spänningen i kretsen som ger mig I = 1,2 A. Sedan beräknade jag hur stor del av strömmen som delar sig vid parallellkopplingen där I1 = 0.8 A och I2 = 0.4 A. Med tanke på att strömmen går från plus till minuspol borde potentialvandringen gå från vänster till höger. När jag tänkte på detta vis fick jag Up = 0.8 * 5 = Up = 4 V och UQ = 0.4 * 12 = 4.8 V. Tydligen är detta fel och jag förstår inte hur jag tänker fel.
Vp=12-0,8×5=8V (om du går från batteriet och till vänster
Axel72 skrev:Vp=12-0,8×5=8V (om du går från batteriet och till vänster
Om man tänker på det viset så blir det korrekt svar. Däremot står det i boken att potentialen V i en viss punkt är spänningen mellan punkten och jord. I det fallet kommer det inte vara korrekt att tänka på det sättet.