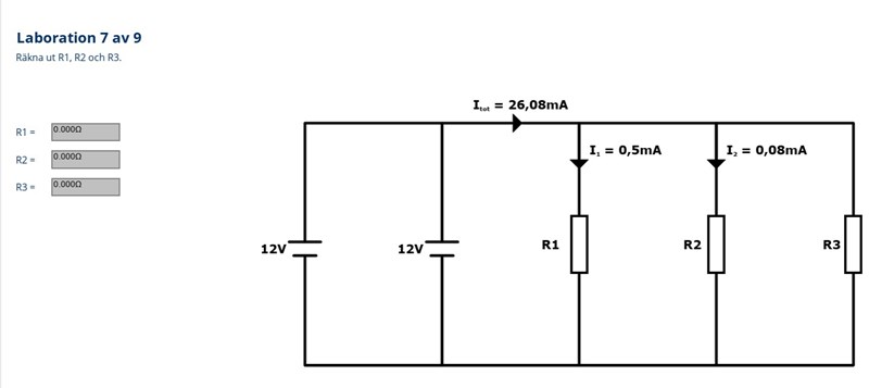
Räkna ut motstånd
Nu är jag fast på en uppgift igen...

R1 = U/I1, och så vidare …
Jan Ragnar skrev:R1 = U/I1, och så vidare …
Jag har räknat så men det är fel svar.... jag missar någonting någonstans...
Visa hur du räknar, så kan vi hjälpa dig vidare!
Smaragdalena skrev:Visa hur du räknar, så kan vi hjälpa dig vidare!
R1: 12/0,005 eller 24/0,005
Spänningen är 12 volt, så det blir R1 = 12/0,0005 Ω = …

Det blir fel....
12/0,0005 = 24000 Ω. Obs att strömmen var i milliampere.
tack. =)
R2= 12/0,08=150?
R3=12/Itot?
strömmen är given i mA
0,08 mA = 0,000 08 A
Strömmen genom R3 är Itot minskat med de strömmar som går genom R1 och R2
räknar jag bort de strömmar genom R1 och R2 från Itot så får jag 26,08-0,58=25,58.
då blir R3 12/0,02558?
Jag löste den! Tack för all hjälp, återkommer med fler frågor i nya trådar rätt så snart misstänker jag... =)