2
svar
1197
visningar
Alligatoraffe behöver inte mer hjälp
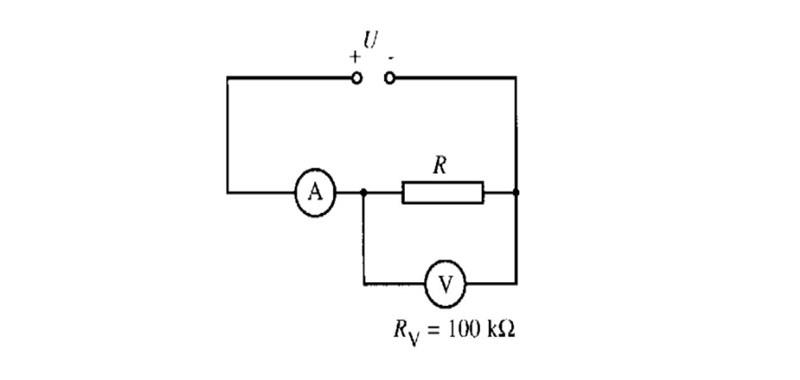
Räkna ut resistansen hos en okänd resistor parallellt med en voltmeter
Hej hej behöver att någon kollar på min uträkning ifall jag tänker rätt!
Ett motstånd med okänd resistans R kopplas i serie med en amperemeter till en spänningskälla. Parallellt över motståndet kopplas en voltmeter som har resistansen 100kΩ. Voltmetern visar 4,8V och amperemetern visar 56,3 µA. Bestäm resistansen R.

UV=4,8V
IA=56,3*10-6 A
RV=100 kΩ
Voltmetern är ju parallellt med resistorn alltså måste ju UV=UR. Strömmen delar på sig och går både genom voltmetern och resistorn IA=IR+IV.
så R=578kΩ
tänker jag rätt?
tacksam för hjälp mvh
Ovanligt att voltmetern har mindre resistans än det som ska mätas, men det ser rätt ut.
Ja det verkar rätt