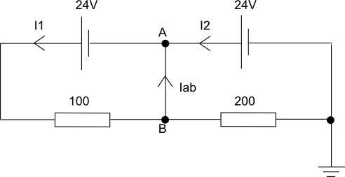
Räkna ut strömmen i ledare AB se bilden som jag har bifogad
Hej
Jag har börjat med att räkan den totalaresistansen i hela kretsen som blev till 300 ohm sedan räkna den totala strömmen som är 0,08A. Sedan beräkna spänningen över 200 motståndet som blev till 16 volt och genom det beräkna strömmen över motståndet som blev till 0,08 A. Sedan beräkna spänningen över 100 ohm som blev till 8 volt och strömmen över det blev även 0,08 A. Och enligt Kirchhoffs första lag så får man ut strömmen AB genom att ta ström 1 minus ström 2 vilket ger resultatet 0. undrar om det är rimligt svar och varför är strömmen 0,08 A över hela kretsen ? .jpg?width=800&upscale=false)
Oj, verkar ha hänt något med din bild. Jag ser bara en liten svart rektangel.
Jag vet inte när jag infogar bilden det blir svart
Nu blev det bättre!
Hur fick du spänningarna över motstånden till 16V och 8V? Jag anar att du krånglat till det lite här.
Titta hur spänningskällorna är kopplade till respektive motstånd. Vad blir då spänningen över dem?
Vad blir det då för ström och, viktigt, vilken riktning?
Ska jag använda mig om av I = U/R. Är det en seriekoppling ?
Jag fick det genom att jag tog strömmen gånger resistansen
Ja, räkna med I=U/R. Vad blir strömmen genom 100ohm och 200ohm?

Vad blir I1 och I2?
Tack så jättemycket, Aa jag förstår nu sedan använder man sig av Kirchhoffs lagen ?
I1 blir 0,12 och I2 blir 0,24 sedan tar man 0,12 -0,24
Japp!
Summera strömmar i punkten A eller B (går bra vilken som) så kan du räkna ut Iab.
Men får jag fråga varför jag ska summera istället?
Nu var det nog jag som krånglade till det. I1-I2 blir Iab.
Aa jag undrade tack för hjälpen
godnatt
