5
svar
105
visningar
Na5a behöver inte mer hjälp
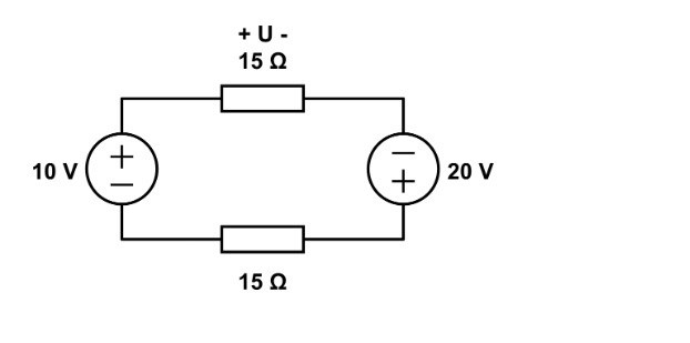
Räkna ut U med Kirchoffslag

Hur hittar man spänning i en sådan krets med KVL? Jag behöver tips på hur jag kan tänka
Allt är i serie, vad betyder detta för strömmen? Kolla på riktningarna av spänningskällorna, vad är det totala spänningen?
Om detta är svårt att visualisera, använd superpositionsprincipen.
att I är samma överallt och total spänning bör bli 30V?
så : 10 - 15*i + 20 - 15*i = 0
30 - 30*i = 0
30 = 30*i
i = 1A
U = 15*1 = -15?
Mja fast 15*1 är väl inte lika med -15?
Tack, löste det!