2
svar
76
visningar
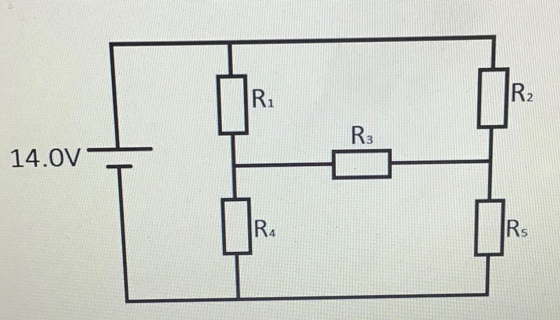
Rätt ritat?

Har jag ritat om kopplingsschemat korrekt?
Nej!
Ture skrev:Nej!
Vad är det som blir fel och hur bör jag tänka när jag ska rita om kopplingar?
Har nu tänkt på ett annat sätt, kan det vara så att R1 och R2 respektive R4 och R5är parallellkopplade? Man ersätter båda paralelllkopplingar med varsin gemensamma motstånd och då är de i sin tur paralella med R3. I slutändan blir alltså tre motstånd parallellkopplade. Vet dock fortfarande inte hur man ska rita om sådana bilder.