12 svar
238 visningar
Lär mig behöver inte mer hjälp
Lär mig 593
Postad: 11 jan 14:24

resistorer

var ska jag börja här?

Vet du hur man räknar ut ersättningsresistans i en paralellkoppling och en seriekoppling?

Pieter Kuiper 9458 – Avstängd
Postad: 11 jan 17:04 Redigerad: 11 jan 17:06
Lär mig skrev:

var ska jag börja här?

Med det lätta: att bestämma U utifrån voltmeterns utslag. Sedan kan du räkna ut R utifrån strömmätningen.

Lär mig 593
Postad: 11 jan 23:36

menar du att man ska ta 12.5/10000 i första kopplingen för att få strömmen? 

Jag gjorde det och fick fram strömmen 0.00125A

Pieter Kuiper 9458 – Avstängd
Postad: 11 jan 23:57 Redigerad: 12 jan 00:03
Lär mig skrev:

menar du att man ska ta 12.5/10000 i första kopplingen för att få strömmen?  

Nej.

Jag skrev att du kunde se vad U är i första kopplingen: 12,5 volt.

Det gäller också i den andra kretsen: "Spänningskällan har samma polspänning i båda fallen". Bestäm R med Ohms lag.

Lär mig 593
Postad: 14 jan 22:59 Redigerad: 14 jan 23:00

stämmer min uträkning?

ThomasN 2486
Postad: 15 jan 00:59

Nej tyvärr.

Vi vet att spänningskällan är på 12.5V. Det är allt vi behöver veta för uppgift a.
Den strömmen (0.00125A) är strömmen genom voltmetern, den är inte så användbar här.

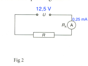
När vi kopplar in amperemetern har vi en spänningskälla (12.5V) kopplad till två seriekopplade motstånd. Strömmen i den kretsen blir I = U/(R+10). Från uppgiften får vi I och vi vet U. Vad blir då R?

Lär mig 593
Postad: 17 jan 09:11 Redigerad: 17 jan 09:20

varför är strömmen genom voltmetern inte användbar? Jag tror jag får till det nu.

U/(R+10)=I

12.5/(R+10)=0.25*10^-3

0.25*10-3R+0.25*10-2=12.5

R=50010 ohm. Stämmer det nu?

Nu har jag problem med b)

Jag tänker att u/totala resistans=Itot

12.5/(10000+5010)=2.08*10-4A. Antar att detta är också fel

Laguna 31808
Postad: 17 jan 10:24

Man kan ha med strömmen genom voltmetern i uträkningarna, men den är så liten att det inte spelar någon roll för resultatet, så det krånglar bara till det. Det är poängen med voltmetern, den ska mäta utan att påverka.

Pieter Kuiper 9458 – Avstängd
Postad: 17 jan 12:05 Redigerad: 17 jan 12:20
Lär mig skrev:

R=50010 ohm. Stämmer det nu?


Enligt uppgiftens text: 
Kretsens totala resistans är altså 12,5 V1/4 mA=4×12,5=50 kΩ.\dfrac{12,\!5 \ {\rm V}}{1/4 \ {\rm mA}} = 4 \times 12,\!5 =50 \ {\rm k\Omega}. 

Om man är extremt petig är R = 49 990 Ω men så många gällande siffror finns inte i uppgiften. 

Svar: R = 50 kΩ.

Lär mig 593
Postad: 17 jan 12:50

Är det okej om du tar en titt på uppgift b också? Jag löste uppgiften 

12.5/(10000+49 990)=2.083 *10^-4 A

Pieter Kuiper 9458 – Avstängd
Postad: 17 jan 13:00 Redigerad: 17 jan 13:06
Lär mig skrev:

Är det okej om du tar en titt på uppgift b också? Jag löste uppgiften 

12.5/(10000+49 990)=2.083 *10^-4 A

Strömmen genom motståndet är känt: 0,25 mA.

För att få den totala strömmen adderar man strömmen genom voltmetern.

Lär mig 593
Postad: 17 jan 13:12

0.0015 A. Så ja! Tack så mycket!

Svara
Close