Rita kopplingsscheman
Jag behöver hjälp, jag har fysikprov på måndag och behöver öva på att rita kretsar. Men jag förstår inte. Jag har jättesvårt att förstå hur olika saker hänger ihop, till exempel i denna uppgiften jag fick på ett övningsprov. Finns det någon som kan ge mig tips, hjälp och fler frågor med facit så jag kan öva?
Här är uppgiften på övningsprovet:

Här är facit:

Jag har ibland sett att det kan vara problem med att förstå hur ledningarna, som ritas som linjer, i ett kopplingsschema fungerar. (Kanske inget problem för dig).
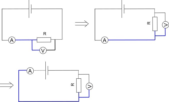
De linjerna visar bara hur de olika delarna är kopplade till varandra och har ingen inverkan på hur kretsen fungerar. Om linjen är lång, kort, krokig eller granar upp sig har ingen betydelse. T.ex:

Du kan se linjerna som gummiband. Du kan dra i dem som du vill bara du inte lossar dem från komponenterna.
Ett exempel är de blå ledningarna i bilden. De är elektriskt sett samma punkt. Och de här tre kopplingarna fungerar precis likadant. Linjerna är vad som i uppgiften kallas "några sladdar".
Ibland kan man lättare se hur saker fungerar genom att rita om lite.
För att rita kopplingsschemat i uppgiften ska man tänka på Ohms lag U = R*I. Genom en räkneoperation blir den
R= U/I.
Vi har en voltmeter "V" och en amperemeter "A" och behöver fundera ut hur de ska kopplas för att vi ska få rätt U och I för att räkna ut resistansen.
Hoppas det var något här du hade nytta av :-)