Simpel krets
Är detta en okej förenkling?
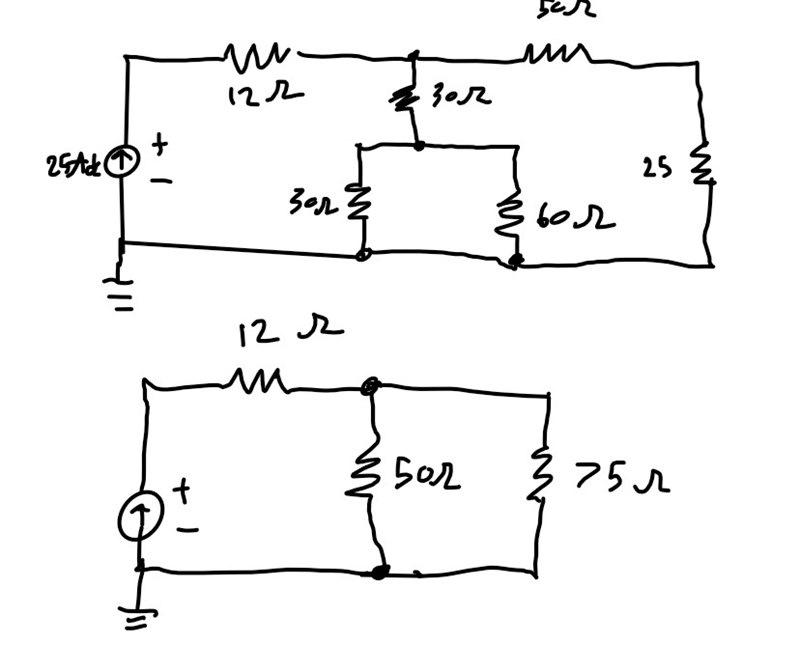
Det jag har gjort är att jag har slagit ihop 50ohm + 25ohm ty seriekoppling till 75ohm(längst till höger). 30ohm är parallelkopplat med 60ohm, förenklar man dessa två är den nya seriekopplad till 30ohm, addision av dessa ger 50ohm. (mitten)
Om det nu är rätt, jag vet jag isåfall kan förenkla vidare via parallelkoppling.
Jag tycker du skulle ha ritat upp den nya kretsen efter varje steg, det hjälper dig också enormt om du sedan behöver hitta alla strömmar och spänningar.
Men jag ser väl ingenting som är fel än så länge, om jag inte missat något.
Dracaena skrev:Jag tycker du skulle ha ritat upp den nya kretsen efter varje steg, det hjälper dig också enormt om du sedan behöver hitta alla strömmar och spänningar.
Men jag ser väl ingenting som är fel än så länge, om jag inte missat något.
Jo precis, tack! Jag vill mest få med allt på en och samma bild.
Måste jag förenkla via parallelkoppling innan jag slår ihop 12ohm + 50ohm?
Ja, du måste räkna:
(50//75)+12 eftersom det finns två vägar för strömmen att flöda i noden som ansluter resistorerna med 50 respektive 75 ohms resistans.
Dracaena skrev:Ja, du måste räkna:
(50//75)+12 eftersom det finns två vägar för strömmen att flöda i noden som ansluter resistorerna med 50 respektive 75 ohms resistans.
Okej, jätterimligt ju.
Om denna 12ohms resistorn hade varit till höger om 50ohms resistorna, då hade jag väl kunnat slå ihop den med 75ohm? alltså. 12+75ohm, eftersom att det bara finns en väg att ta?
Dracaena skrev:
Hjälte!

