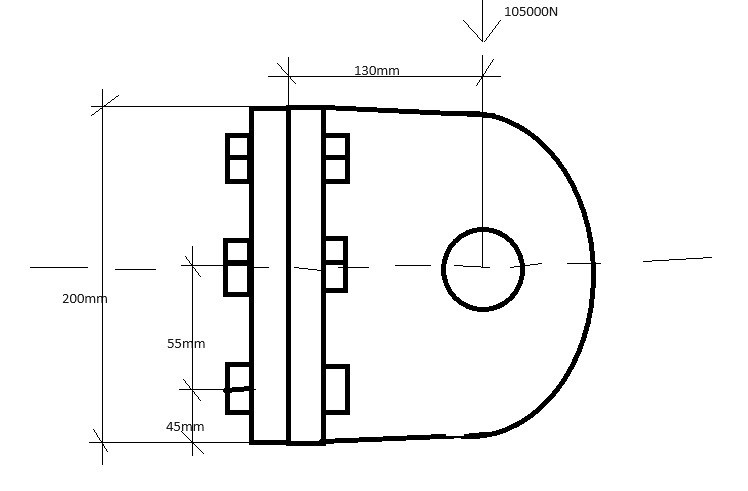
Skruvförband/Lyftögla hållfasthet
Hej, jag har i uppgift att beräkna hållfastheten på lyftöglan enligt bild.
Har kommit en bit på vägen men känner att jag inte lyckas knyta ihop säcken med ett resultat.
Förutsättningar/Givet.
Bultar M20 x 2,5
Antal n= 6st
Sträckgräns σ= 640N/mm2
Spänningsare At= 245mm2
Förspänning P = 109760N/bult
μ=0.15
Plåttjocklek t=15mm
Friktion
Ff=μ*P*n
Ff=98784N
Så friktionskraften i skruvförbandet tar upp det mesta utav den direkta kraften men så ska momentet läggas till. och här någonstans börjar jag bli osäker hur man ska fortsätta.
Moment
Här antar jag att jag bör räkna med bultens förspänning som en kraft i momentriktning där den berörs.
L1=0.045m F1=109760N
L2=0.045m F2=109760N
L3=0.1m F3=109760N
L4=0.1m F4=109760N
L5=0,155m F5=109760N
L6=0,155m F6=109760N
L7=0,13m F7=105000N
Om jag utgår ifrån att momentet sker i nedre kanten på plattan så får jag.
ΣM = 0
-(L1*F1)-(L2*F2)-(L3*F3)-(L4*F4)-(L5*F5)-(L6*F6)+(L7*F7)=0
Störst påfrestning bör sker i de övre bultparet så jag räknar ut kraften där
F6=(L7*F7)-(L1*F1)-(L2*F2)-(L3*F3)-(L4*F4)-(L5*F5)/L6=
F6=-127940N
och här tar det stop HJÄLP.
