Skyddsjord fråga inom el
Det finns en sluten krets mellan L3 (230V) genom brödrost (3Ω) och N (0V), höljet ingår i kretsen, varför kommer strömmen välja vägen genom min hand (300 Ω) ner till marken (spänning 0V) och bryta kretsen istället för att bara cirkulera i koppartråden med resistansen 0,0175 ohm mm²/m?
Ett par saker får mig att klia mig i huvudet:
"Höljet ingår i kretsen" Hur då? Höljet ska ju inte ha kontakt med ingående elektriska delar utan bara kopplas till skyddsjorden (i stickproppen).
230V genom 3 ohm blir en riktigt stöddig brödrost. 17633W !
okej höljet är i kontakt med L3 för att det är fel i systemet, vi ska undersöka hur jorcfelsbrytaren fungerar vid ett fel, och 3 ohm på brödrosten var bara ett exempel kunde varit 0.1 eller 100 vet inte vad en brödrost har för resistans men vill bara visa på att där finns en resistans!
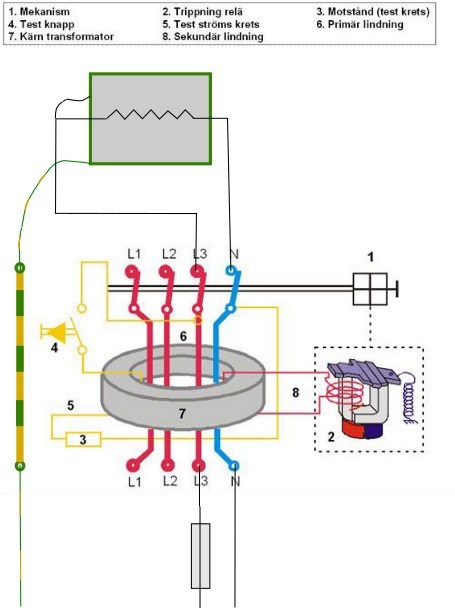
OK, jag tror jag förstår. Ett litet kopplingsschema med brödrost, jordfelsbrytare och säkring:

Vad jordfelsbrytaren gör är att summera strömmarna i de tre faserna samt neutralen. Blir inte summan liten så bryter den. (med liten menas ca 25mA)
I enfas fallet blir det att strömmen i L3 ska vara lika stor som strömmen i N, fast med olika tecken.
Som du ser har jag ritat en liten tråd från L3 till höljet, som i sin tur är skyddsjordat.
Jag ser två fall här:
1. Höljet är skyddsjordat som i schemat: Så fort brödrosten kopplas in så kommer L3 att kortslutas till jord. Jordfelsbrytaren kommer att mäta en stor skillnad i ström och slår av, om den hinner innan säkringen löser ut.
2. Höljet är inte skyddsjordat. (Alltså ytterligare ett fel): Så länge ingen rör brödrosten fungerar den normalt och skillnaden i ström mellan L3 och N blir noll.
Om någon tar i brödrosten kommer den att leda ström från L3 via höljet och sig själv till jord. Denna strömmen adderas till strömmen i L3 men strömmen i N är oförändrad. Går det ca 25mA genom kroppen så kommer jordfelsbrytaren att lösa ut.
Hoppas det klarnar lite.
Tack!
Så anledningen att L3väljer vägen till jorden genom skyddsjord en och inte mig antar jag bero på att jag har högre motstånd och strömmen väljer lättaste vägen, mina följdfrågor är:
1: om neutrolledaren också skulle vara kopplad till höljet (av misstag) skulle strömmen då välja neutral en/ skyddledaren eller kanske båda iom båda har 0 i spänning och 0 i resistans?
2: om jag tar på höljet kommer den återigen välja skyddsjorden kan jag förstå men varför blir strömmen så pass hög att säkringen utlöses?
Förklaringen till 2 brukar vara att motståndet minskar och ampere höjs.
Dock förstår jag inte varför resistansen sänks? Jorden har ingen resistans kanske men och skulle vara enkelt att motivera, men om jag sluter en krets L 3 direkt till neutralen utan att ha en brödrost emellan så finns där heller inte något motstånd?
Så om man kopplar L3 till neutralen vad händer? Eller ett liknande exempel om jag kopplar L3 till en apparat med resistansen 0,0001 ohm blir återigen ampere högt, betyder detta att vanliga hushåll med 230volt och säkringar 16A alltid använder apparater med minst 14,375 ohm annars går proppen?
U/r= i
230/14,375 = 16A
Tacksam för hjälpen!
Så anledningen att L3väljer vägen till jorden genom skyddsjord en och inte mig antar jag bero på att jag har högre motstånd och strömmen väljer lättaste vägen, mina följdfrågor är:
Ja, det blir strömdelning mellan dig och skyddsjordsledaren.
1: om neutrolledaren också skulle vara kopplad till höljet (av misstag) skulle strömmen då välja neutral en/ skyddledaren eller kanske båda iom båda har 0 i spänning och 0 i resistans?
Båda två. Det blir strömdelning mellan N och skyddsjordsledaren.
En sak jag inte ritat in i kopplingsschemat är att någonstans i någon elcentral innan denna installation så är N och skyddsjord ihopkopplade. Tänk dig en ledning längst ner mellan ändarna på N och skyddsjordsledaren.
2: om jag tar på höljet kommer den återigen välja skyddsjorden kan jag förstå men varför blir strömmen så pass hög att säkringen utlöses?
Det blir bara resistansen i ledningarna som bestämmer strömmen. L3 blir ju kortsluten. Om du tar på brödrosten spelar ingen roll.
Så om man kopplar L3 till neutralen vad händer? Eller ett liknande exempel om jag kopplar L3 till en apparat med resistansen 0,0001 ohm blir återigen ampere högt, betyder detta att vanliga hushåll med 230volt och säkringar 16A alltid använder apparater med minst 14,375 ohm annars går proppen?
Att koppla L3 till N (eller via 0,0001 ohm) är att kortsluta den och då löser säkringen ut. Och ja, säkringens storlek bestämmer vilken belastning du kan koppla in. Säkringen uppgift är att hindra ledningar att bli överhettade, jordfelsbrytarens jobb är att skydda människor om strömmen går fel väg.
ThomasN skrev:Så anledningen att L3väljer vägen till jorden genom skyddsjord en och inte mig antar jag bero på att jag har högre motstånd och strömmen väljer lättaste vägen, mina följdfrågor är:
Ja, det blir strömdelning mellan dig och skyddsjordsledaren.
1: om neutrolledaren också skulle vara kopplad till höljet (av misstag) skulle strömmen då välja neutral en/ skyddledaren eller kanske båda iom båda har 0 i spänning och 0 i resistans?
Båda två. Det blir strömdelning mellan N och skyddsjordsledaren.
En sak jag inte ritat in i kopplingsschemat är att någonstans i någon elcentral innan denna installation så är N och skyddsjord ihopkopplade. Tänk dig en ledning längst ner mellan ändarna på N och skyddsjordsledaren.2: om jag tar på höljet kommer den återigen välja skyddsjorden kan jag förstå men varför blir strömmen så pass hög att säkringen utlöses?
Det blir bara resistansen i ledningarna som bestämmer strömmen. L3 blir ju kortsluten. Om du tar på brödrosten spelar ingen roll.
Så om man kopplar L3 till neutralen vad händer? Eller ett liknande exempel om jag kopplar L3 till en apparat med resistansen 0,0001 ohm blir återigen ampere högt, betyder detta att vanliga hushåll med 230volt och säkringar 16A alltid använder apparater med minst 14,375 ohm annars går proppen?
Att koppla L3 till N (eller via 0,0001 ohm) är att kortsluta den och då löser säkringen ut. Och ja, säkringens storlek bestämmer vilken belastning du kan koppla in. Säkringen uppgift är att hindra ledningar att bli överhettade, jordfelsbrytarens jobb är att skydda människor om strömmen går fel väg.
Tack klarnar mer och mer, för att kunna sova gott måste jag nu endast få svar på det återstående.
Har vi alltså inga apparater om används i hushåll som har lägre resistans än 14,375? Eftersom då går proppen?
Det stämmer om proppen är på 16A. Det är ledarens tvärsnittsarea som bestämmer vilken säkring man ska använda.
Och 16A vid 230V, ger 3680W. Inte så många prylar som drar så mycket.
Hoppas du kan sova gott! Jag måste ta fixa lite middag nu.
Tack!