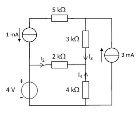
snabb fråga om I3 i kretsen enligt strömlagen

Kan man räkna med kirschhoffs strömlag i noden högst upp i mitten: 3m = 1m + I3 => I3 = 3 - 1 = 2m ?
Eller kan man inte räkna med det om det är ett motstånd i vägen?
Vi diskuterade detta några men vi kunde inte övertyga varandra
Ja, det är rätt tänkt. Det spelar ingen roll hur stort motståndet är. Om du vet vilken ström som flyter på vänster sida motståndet (vilket du i detta fallet vet), så måste samma ström flyta till höger om motståndet.
Strömmen kan inte försvinna om det inte finns någon nod som den kan försvinna genom.
JohanF skrev:Ja, det är rätt tänkt. Det spelar ingen roll hur stort motståndet är. Om du vet vilken ström som flyter på vänster sida motståndet (vilket du i detta fallet vet), så måste samma ström flyta till höger om motståndet.
Strömmen kan inte försvinna om det inte finns någon nod som den kan försvinna genom.
yes okej! det som förvirrande var att det fanns en annan strömkälla till vänster så tänkte om det skulle påverka på något sätt men då är jag med tack!
Ström skulle kunna vara olika på olika sida av en komponent, men då måste laddning kunna lagras i komponenten. Ett idealt motstånd kan inte lagra laddning. En kondensator kan lagra laddning.
JohanF skrev:Ström skulle kunna vara olika på olika sida av en komponent, men då måste laddning kunna lagras i komponenten. Ett idealt motstånd kan inte lagra laddning. En kondensator kan lagra laddning.
tack!