Spänning ström mätare
Hej!
När man mäter ström/spänning med ampere/volt mätare, kan man då på ngt sätt få ett bättre eller mer exakt svar?
Tex: att man använder tjockare ledare (tvärsnittsarean) - dvs får mindre motstånd när man mäter strömmen
eller använder längre kablar - dvs mer motstånd när man mäter spänning?
Kommer de faktorerna hjälpa och ge ett bättre värde eller gör det inte någon skillnad? Vad kan göra skillnad isåfall?
Man skall se till att ens ledare är så grova att man kan försumma deras resistans.
Hur menar du med ”grova”? Stor tvärsnittsarea?
En amperemätare mäter alltid strömmen som går genom amperemätaren och inget annat.
En voltmätare mäter spänningen över voltmätaren (mellan dess terminaler) och inget annat.
Dessa två typer av mätningar är så exakta de kan bli. Vad man dock ju ofta gör är att använda dessa mätningar för att mäta något utanför mätarna.
Man kopplar en voltmätare parallellt med en lampa och utgår från att spänningen över voltmätaren är densamma som över lampan men kom ihåg att det voltmätaren visar inte är spänningen över lampan utan spänningen över voltmätaren.
Vid sådana 'andrahandmätningar' så spelar sättet man har kopplat mätaren till kretsen roll för huruvida man får mätvärden som överensstämmer med det man egentligen man vill mäta men man måste se till konkreta situationer. Vilka typer att kretser är det vi talar om? Presentera exempel och man kan ha något att tala om.
Aa jag menade också såna andrahandsmätningar, förklarade mig kanske fel
syftar på både parallell och serie kopplingar, enkla sådana
Det finns vid sådana enkla mätningar två hänsynstaganden.
1. Mätningens fysiska inverkan på kretsen
+ En amperemätare och dess kontaktdon har en viss låg resistans och kommer att minska strömstyrkan något. Låt säga att strömstyrkan över en ledare mellan två komponenter från början var 1A och efter att man kopplat in en amperemätare mellan dem så minskar strömstyrkan till 0,99A pågrund av den ökade resistansen. Amperemätaren visar det korrekta värdet 0.99A men visar inte värdet. I regel ska alltså amperemätaren och dess kontaktdon ha betydligt mycket lägre resistans än alla andra komponenter i kretsen för att denna effekt ska minimeras.
+ En voltmätare kopplad i parallellt över en komponent har en viss hög resistans och tillåter, beroende på design, viss ström att passera genom den varför inkopplingen av en voltmätare minskar resistansen i kretsen som helhet och
(Dessa effekter är generellt för små för att märkas men bör poängteras eftersom en mätning alltid påverkar det man mäter)
2. Mätningens giltighet
+ En amperemätare visar strömstyrkan hos strömmen som passerar genom den och då strömstyrkan genom alla komponenter i serie är lika så har denna mätning full giltighet i sig.
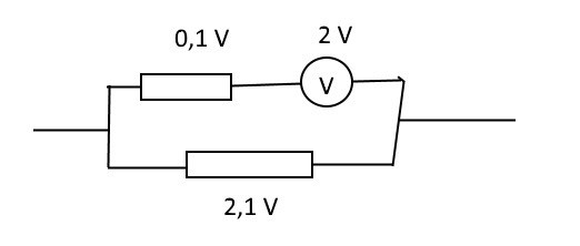
+ En voltmätare däremot visar inte nödvändigtvis spänningen över kretsen som den kopplats med i parallell utan alltid endast ett värde strax under det värdet. Låt säga att en voltmätare sitter parallelt med en komponent och man läser av voltmätaren som 2V. Dock så är en del av spänningen över komponenten man vill mäta också fördelad över kontaktdon såsom kablarna och verkliga spänningen över komponenten man vill mäta är kanske istället 2,1 V.

Alla dessa eventuella problem är dock så pass marginella att de helt kan ignoreras om så länge man:
- Använder kontaktdon vars resistanser är lägre än 0.1 % av resistansen hos komponenterna man ska mäta av.
(0,1% är ingen exakt tumregel utan ges här bara för att ge en känsla för vad som är rimligt. Man kan alltså inte använda en voltmätare med normala kontaktdonskablar för att mäta spänningen över en kabel av samma typ och längd helt enkelt)
Tror jag förstår, men har nte riktigt fått svar på min fråga än, jag vill veta hur man kan förbättra sina värden vid laboration där man mäter spänning och ström.
STände inte mina antaganden?:
Desto tjockare ledare = ju mindre resistans = bättre värde
desto längre ledare = ju större resistans = bättre värde
Dina antaganden stämmer på ett sätt men samtidigt är ledningsresistansen så liten att du skulle behöva otroligt långa ledare för att det skulle göra någon skillnad.
En normal voltmeter har en inre resistans på någon eller några . En vanlig mätkabel med en tvärsnittsarea på 0,75 mm2 har en resistans på . Du ser alltså att du behöver flera km kabel för att det skall göra skillnad.
Därmed inte sagt att voltmetern aldrig kan påverka mätningen. Det gör den alltid men om du kopplar in den över ett motstånd i kiloohm storleken är skillnaden så stor mellan motstånden att påverkan blir försumbar. Om du däremot försöker mäta spänningen över ett motstånd i megaohm klassen har du mycket stor påverkan och resultatet kommer att vara fel.
När det kommer till strömmätning har en normal amperemeter en inre resistans på några ohm så även här kommer ledarnas resistans vara försumbar. Däremot måste man vara försiktig att koppla in denna och mäta strömmen i en krets med lågt motstånd. Här kan det kanske löna sig att se till att man har fräscha kablar och att kontakter inte är oxiderade.
Tack så mycket!
StellaK skrev:Tror jag förstår, men har nte riktigt fått svar på min fråga än, jag vill veta hur man kan förbättra sina värden vid laboration där man mäter spänning och ström.
STände inte mina antaganden?:
Desto tjockare ledare = ju mindre resistans = bättre värde
desto längre ledare = ju större resistans = bättre värde
Man ska alltid ha så korta mät-sladdar som möjligt, både vid spännings- och strömmätning.
Oftast behöver man inte överdriva den ambitionen, för det har sällan någon praktisk betydelse.
Förmodligen är komponenterna inuti mätarna så valda att den önskade noggrannheten garanteras, men inte mer. För det mesta har de en resistans/kapacitans etc. inom en felmarginal på 5% eller 10% när man köper dem. Då hjälper det inte att läsa av noggrannare eller använda bättre sladdar, man måste ha bättre komponenter i innanmätet och kanske en annan design.
tack för era svar! :)
Laguna skrev:Förmodligen är komponenterna inuti mätarna så valda att den önskade noggrannheten garanteras, men inte mer. För det mesta har de en resistans/kapacitans etc. inom en felmarginal på 5% eller 10% när man köper dem. Då hjälper det inte att läsa av noggrannare eller använda bättre sladdar, man måste ha bättre komponenter i innanmätet och kanske en annan design.
Nu ska man inte missförstå vad du skrivit. Även en relativt billig multimeter från t.ex. Biltema, mäter med en noggrannhet långt bättre än 5%.
Affe Jkpg skrev:Laguna skrev:Förmodligen är komponenterna inuti mätarna så valda att den önskade noggrannheten garanteras, men inte mer. För det mesta har de en resistans/kapacitans etc. inom en felmarginal på 5% eller 10% när man köper dem. Då hjälper det inte att läsa av noggrannare eller använda bättre sladdar, man måste ha bättre komponenter i innanmätet och kanske en annan design.
Nu ska man inte missförstå vad du skrivit. Även en relativt billig multimeter från t.ex. Biltema, mäter med en noggrannhet långt bättre än 5%.
Troligen. Jag slog väl ihop två tankar jag ville få fram, i samma stycke.
Man måste hålla skillnad här på mätnoggrannhet och den inre resistansen. Mätnoggrannheten går att justera i en kalibrering så man kommer inom (snäva) toleranser även på en billig multimeter.
Dock gäller att även en multimeter av hög kvalitet som en Fluke anger den inre resistansen som voltmeter som "typical 5Mohm" i manualen. Där spelar komponenternas toleranser en stor roll.
AndersW skrev:Man måste hålla skillnad här på mätnoggrannhet och den inre resistansen. Mätnoggrannheten går att justera i en kalibrering så man kommer inom (snäva) toleranser även på en billig multimeter.
Dock gäller att även en multimeter av hög kvalitet som en Fluke anger den inre resistansen som voltmeter som "typical 5Mohm" i manualen. Där spelar komponenternas toleranser en stor roll.
Vad menar du med "komponenternas toleranser"?
De komponenter man använt till multimetern ligger inom +-5% (är väl det vanligaste fortfarande) av det värde de är märkta med. Detta påverkar den inre resistans instrumentet uppvisar men, genom kalibrering, inte mätvärdet. Eftersom komponenterna kan vara lite olika under den tid en multimeter tillverkas kan det slå lite olika, det är därför tillverkarna ger ett typvärde på inre resistans, inte ett definitivt värde.
AndersW skrev:De komponenter man använt till multimetern ligger inom +-5% (är väl det vanligaste fortfarande) av det värde de är märkta med. Detta påverkar den inre resistans instrumentet uppvisar men, genom kalibrering, inte mätvärdet. Eftersom komponenterna kan vara lite olika under den tid en multimeter tillverkas kan det slå lite olika, det är därför tillverkarna ger ett typvärde på inre resistans, inte ett definitivt värde.
Jaha...då förstår jag vad du menar.