Spänningar i exempeluppgiften

Hej! Jag är dock förvirrad över hur spänningen beräknas.
Vad jag har förstått är att summan av alla spänningar i en seriekoppling är lika med den totala spänningen i varje parallellkoppling.
Jag har kommit fram till att spänningen över 19 ohm-resistorn är 11,4 V, precis som det står i lösningen. I den seriekopplingen borde den totala spänningen vara 24+11,4=35,4 V. Sedan har den nedersta seriekopplingen resistansen på 10+20=30 ohm, då strömmen som går i den raden är 35,4/30=1,18 A. Så har denna 10 ohm-resistor spänningen på 10×1,18=11,8 V. Men min tankegång tydligen stämmer ej med den lösningen.
Varför har de andra parallellkopplingarna den totala (?) spänningen på 11,6 V, vilket är differensen mellan batteriets och resistorns spänningar i den första raden? Har 10 ohm- och 20 ohm-resistorer samma spänning eller vad?
Kan någon rätta till mina tankar så det blir rimligt?
Tack på förhand
Stockis05 skrev:[...]
Jag har kommit fram till att spänningen över 19 ohm-resistorn är 11,4 V, precis som det står i lösningen. I den seriekopplingen borde den totala spänningen vara 24+11,4=35,4 V.
Nej, den totala spänningsskillnaden i hela kretsen är 24 V, inte 35,4 V.
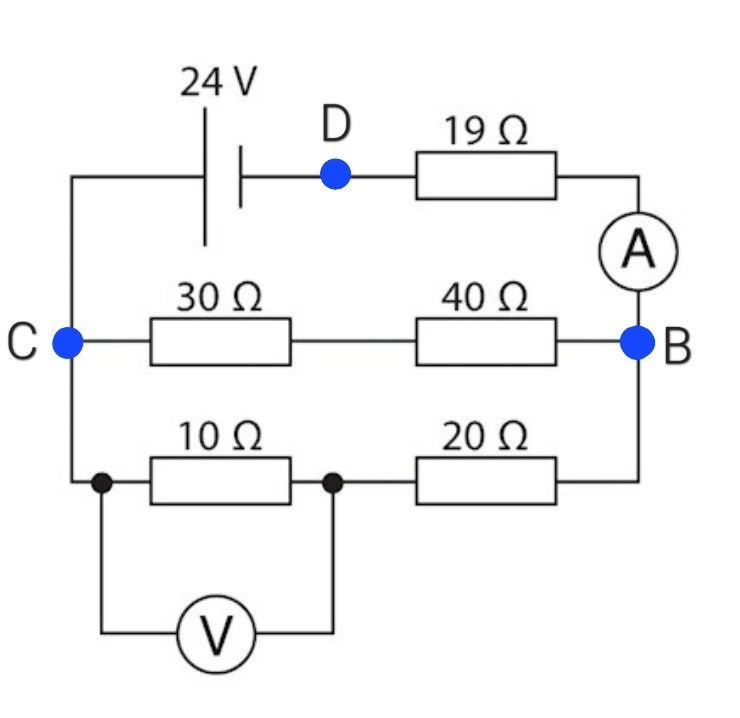
Se bild, om potentialen i punkt D är 0 V så är potentialen i punkt B 11,4 V och potentialen i punkt C 24 V.
Eftersom spänning är lika med potentialskillnade så är spänningen över de parallellkopplade grenarna lika stor, nämligen 24 V - 11,4 V = 12,6 V.

Sedan har den nedersta seriekopplingen resistansen på 10+20=30 ohm, då strömmen som går i den raden är 35,4/30=1,18 A.
Nej, strömmen som går genom den grenen är 12,6/30 = 0,42 A
Så har denna 10 ohm-resistor spänningen på 10×1,18=11,8 V.
Nej, spänningsfallet över 10 ohmsresistorn är 10*0,42 = 4,2 V
Men min tankegång tydligen stämmer ej med den lösningen.
Varför har de andra parallellkopplingarna den totala (?) spänningen på 11,6 V, vilket är differensen mellan batteriets och resistorns spänningar i den första raden?
Du menar väl 12,6 V?
Har 10 ohm- och 20 ohm-resistorer samma spänning eller vad?
Nej, men det flyter samma ström genom dem.
Kan någon rätta till mina tankar så det blir rimligt?
Tack på förhand
Blev det klarare nu?
Yngve skrev:Stockis05 skrev:[...]
Jag har kommit fram till att spänningen över 19 ohm-resistorn är 11,4 V, precis som det står i lösningen. I den seriekopplingen borde den totala spänningen vara 24+11,4=35,4 V.
Nej, den totala spänningsskillnaden i hela kretsen är 24 V, inte 35,4 V.
Se bild, om potentialen i punkt D är 0 V så är potentialen i punkt B 11,4 V och potentialen i punkt C 24 V.
Eftersom spänning är lika med potentialskillnade så är spänningen över de parallellkopplade grenarna lika stor, nämligen 24 V - 11,4 V = 12,6 V.
Sedan har den nedersta seriekopplingen resistansen på 10+20=30 ohm, då strömmen som går i den raden är 35,4/30=1,18 A.
Nej, strömmen som går genom den grenen är 12,6/30 = 0,42 A
Så har denna 10 ohm-resistor spänningen på 10×1,18=11,8 V.
Nej, spänningsfallet över 10 ohmsresistorn är 10*0,42 = 4,2 V
Men min tankegång tydligen stämmer ej med den lösningen.
Varför har de andra parallellkopplingarna den totala (?) spänningen på 11,6 V, vilket är differensen mellan batteriets och resistorns spänningar i den första raden?
Du menar väl 12,6 V?
Har 10 ohm- och 20 ohm-resistorer samma spänning eller vad?
Nej, men det flyter samma ström genom dem.
Kan någon rätta till mina tankar så det blir rimligt?
Tack på förhand
Blev det klarare nu?
Efter att ha läst lite om potentialen i min fysikbok som du nämnde (jag hade ännu inte kommit till den delen), förstår jag lite bättre. Du skrev också att när strömmen återvänder till batteriet ska den ha spänningen på 0 V.
Så tänker jag nu.
Punkten C har den fulla spänningen på 24 V. Sedan börjar jag med att räkna ut den totala resistansen i parallellkopplingen förutom 19 ohm-resistorn i kretsen.
R = 1/(1/(30+40)+1/(10+20)) = 21 ohm.
Strömmen i hela kretsen är 24/(21+19) = 0,60 A.
Så har strömmen spänningen 21 × 0,6 = 12,6 V på punkten B. Det betyder att 19 ohm-resistorn måste ha spänningen på 24 - 12,6 = 11,4 V för att spänningen blir 0 V innan strömmen återvänder till batteriet.
Det blir klarare nu.
Jag tänker räkna ut spänningen över 10 ohm-resistorn. Strömmen delar sig väl i två grenar och strömmens mängd beror på resistansen i grenarna. Eftersom den nedersta raden har 30% av den totala resistansen i parallellkopplingen, så går 100% - 30% = 70% av strömmen genom den nedersta raden, dvs. 0,6 × 0,7 = 0,42 A. Spänningen är 0,42 × 10 = 4,2 V.
Det stämmer överens med svaret. Betyder det att jag har tänkt rätt, eller är det bara en slump? Att strömmen delar sig efter andelen av resistansen i grenar, alltså.