3
svar
142
visningar
Statik Moment
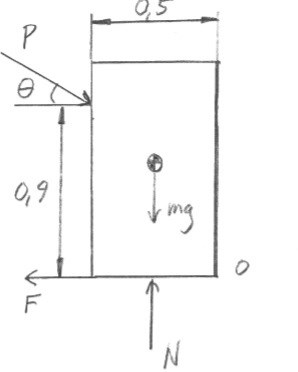
Bestäm kraften P på den homogena lådan.
Hej!
En fråga angående homogen låda. Så jag förstår att homogen innebär "likadan" överallt. Dock så förstår jag inte varför jag ska räkna med både Pcos(Theta) samt Psin(Theta) (även mg) när det kommer till beräkning av moment. Är det för att den är homogen? Borde inte Psin(theta) ej räknas med då jag har valt O som momentpunkt?
Tack på förhand!
Är det nedre högra hörnet som du kallar O?
I så fall har alla krafter en hävarm, utom F.
Bubo skrev:Är det nedre högra hörnet som du kallar O?
I så fall har alla krafter en hävarm, utom F.
Men Normalkraften räknas inte med på moment, dvs på lösningen

Kanske hjälper om ni ser hela uppgiften