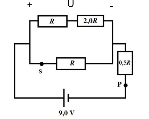
strömstyrka i en krets

borde inte svaret för både a vara dubbelt så stort som b? eller räknar man med att punkten s inte har passerat genom några resistorer men sladden har ju delats i två varav I/2.
ohms lag U = RI
I = 9/5 A
I(S) = 9/10 = 0,9 A
5 = 4,5R, R = 1,1… ohm
I(P) = 9/(1.1)0.5 = 16,2 A
tacksam för hjälp!
Enklast är att börja med att räkna ut strömmen i punkten P.
Jag hänger inte riktigt med i dina beräkningar. Vad får du den totala resistansen till?
ThomasN skrev:Enklast är att börja med att räkna ut strömmen i punkten P.
Jag hänger inte riktigt med i dina beräkningar. Vad får du den totala resistansen till?
oj förlåt, trodde att R = 5 ohm är den totala men det är ju för vardera R. alltså är kretsens totala resistans 22,5 ohm?
därför är I = 9/22.5 ?
I = 0,4 A.
i punkten S 0,2 A
i punkten P ?
R+2R och R är parallellkopplade, då blir ersättningsresistansen inte 4R.
Laguna skrev:R+2R och R är parallellkopplade, då blir ersättningsresistansen inte 4R.
1/R(tot parallelkopllat) = 1/5 + 1/10 + 1/5 = 5/10 = 1/2
2 + 2,5 = 4,5 = R(tot)
är det rätt?
(r alltså I(S) = 2,25 A?)
Fast R och 2R är seriekopplade, alla är inte parallellkopplade.
Laguna skrev:Fast R och 2R är seriekopplade, alla är inte parallellkopplade.
nu hänger jag inte riktigt med, hur räknar jag med dem ? är det
1/R(parallellt) = 1/R(övre) + 1/R(undre)
1/R = 1/15 + 1/5 = 4/15
15/4 = R(parallellt) = 3,75 ohm
detta plus den till höger = 6,25 ohm??
Ja, det låter rimligt. Vad får du för ström i P då?
Och för S måste du strömdela.
D4NIEL skrev:Ja, det låter rimligt. Vad får du för ström i P då?
Och för S måste du strömdela.
I(tot) = 1,44 A
I(s) = 0,72 A
I(p) = 1,44 A
rätt?
1.44A låter rimligt.
Däremot tror jag inte på att strömmen delar sig två lika stora delar.
Det måste ju gå mindre ström genom 3R-delen än genom R-delen (delen med punkten S).
Spänningen över 3R ska vara lika med spänningen över R. Så det går olika mycket ström i de två delarna.
D4NIEL skrev:1.44A låter rimligt.
Däremot tror jag inte på att strömmen delar sig två lika stora delar.
Det måste ju gå mindre ström genom 3R-delen än genom R-delen (delen med punkten S).
Spänningen över 3R ska vara lika med spänningen över R. Så det går olika mycket ström i de två delarna.
1,44 / 4 = 0,36 A
I(s) = 0,36 A (?)
Nej, nu har du vänt på det. Strömmen genom s måste vara större än strömmen genom den övre slingan.
Du kan räkna ut spänningen U i nedanstående bild.

När det är gjort kan du sedan räkna ut strömmen genom den nedre resistansen (R).
Förövrigt ska , hela den totala strömmen går genom P, men bara en del av en totala strömmen går genom S
ThomasN skrev:Du kan räkna ut spänningen U i nedanstående bild.
När det är gjort kan du sedan räkna ut strömmen genom den nedre resistansen (R).
är det inte 9 V i hela kretsen?
Nej, du har en spänning över de parallellkopplade resistanserna, U och en annan spänning över 0,5R resistansen. Tillsammans blir de 9V.
Du vet ersättningsresistansen för de parallellkopplade resistanserna, 3.75ohm och strömmen. Sen har du Ohms lag.