Svårt med Ohms lag och potentialvandring
Hej allihop!
Jag hade omtenta idag och fastnade lite specifikt på en uppgift.

Jag har minnen av potentialvandring och Kirschhoffs spänningslag samtidigt som jag kan det fundamentala om Ohms lag. Det jag får problem med är dock när det blandas in flera komponenter. I det här exemplet tänkte jag att jag skulle försöka lista ut vad spänningen över resistorerna var, men det gick inte eftersom jag inte hade den totala strömmen. Min andra tanke var då att jag måste försöka få ihop strömmen. Det gick väl sisådär eftersom jag inte minns hur man ska tackla fler batterier. Sedan fick jag problem när jag försöka ignorera de andra idéerna och istället använda Kirschhoffs lag på den jordade punkten och det kräver ju trots allt att man har en spänning. Så då kom jag på att jag faktiskt inte vet hur ohms lag fungerar där det finns en jordning. Det slutade alltså med att det kändes som att jag hade det men ändå inte.
Nu har jag lite generella frågor här:
- Hur ska jag hantera förvirring när jag använder Ohms lag? Jag hamnar ibland i situationer där jag använder Ohms lag och inte förstår vilken ström jag får, är den före eller efter resistorn? Kan jag göra såhär t.ex:
Alltså "bryta upp kretsen" i mindre delar och låtsas som att de är slutna kretser (förutsatt att det är en seriekopplad likström då). - Hur påverkar jordningar Ohms lag? I mitt huvud så tänker jag att batteriet med 1,5V som har en minuspol närmast gör att något måste adderas så att det kan bli 0V vid jordningen, men vad? Om man följer batteriernas poler borde resistorn med 25 Ω ha en plus- minuspol eftersom det är motstånd.
- Hur påverkar batterierna det här? Vanligtvis tänker jag mig att man skulle addera deras spänning, men det går väl inte eftersom det är en resistor i mellan. Det fick mig att undra hur batterier i en seriekoppling skulle behandlas.
Ursäktar för att det blev långt och tackar för svar!
Ettanvändarnamn skrev:Nu har jag lite generella frågor här:
- Hur ska jag hantera förvirring när jag använder Ohms lag? Jag hamnar ibland i situationer där jag använder Ohms lag och inte förstår vilken ström jag får, är den före eller efter resistorn?
Dessa strömmar är lika.
Strömmarna påverkas inte av att en punkt jordas.
Ja, det är bara att addera batteriernas spänningar och använda Ohms lag.
Vi kan ta en sak i taget. De två lagar som man använder är ohms lag och Kirchoffs spänningslag (som du redan har förstått). Ohms lag ingår som en beståndsdel i kirchoffs spänningslag.
Ohms lag säger att potentialskillnaden mellan ena och andra sidan av en resistor kan räknas ut som , där resistorns resistans är R, och I är strömmen genom resistorn. Lika stor ström måste komma ut på andra sidan motståndet som det går in mot motståndet. Annars skulle en massa laddningar behöva fastna därinne i motståndet, vilket det inte gör (jämför vatten i en bäck. Det måste rinna lika mycket vatten genom bäcken uppströms som nedströms, annars så måste skillnaden i vattenflöde ansamlas någonstans.)
Det betyder att:
- Lika stor ström flyter genom resistorns båda anslutningar
- Om man vet strömmen som flyter genom motståndet så kan man räkna ut skillnaden i potential mellan motståndets båda sidor. (Det är potentialskillnaden som driver strömmen genom motståndet).
Observera att att ohms lag säger ingenting om vilken potential som finns på ena och andra sidan motståndet, bara skillnaden i potential mellan ena och andra sidan av motståndet. Det är därför man måste ha en referenspunkt för potentialerna i en krets om man vill räkna ut något annat än relativa skillnader i potential (ungefär som det behövs en referenspunkt för att beskriva hur högt ett berg är. Referensen man brukar använda är havsnivån. Annars kan man bara räkna ut relativa skillnader i höjd, tex mellan bergets topp och fot)
Sedan kan man använda kirchoffs spänningslag tillsammans med ohms lag för att summera ihop alla spänningsfall som finns runt en sluten krets. Denna summa av spänningsfall måste bli noll i en sluten krets. Det sambandet brukar man kunna utnyttja för att bestämma någon okänd variabel, tex vilken ström som flyter i kretsen.
Hänger du med så långt?
Dvs:
- en jordning är bara en referenspunkt där potentialen är noll (jfr havsninvån är referensen för höjdmätning av berg). Så jordningen påverkar inte ohms lag. (Höjdskillnaden mellan bergets topp och fot påverkas inte av havsnivåreferensen)
- ett batteri har högre potential på sin pluspol än sin minuspol. Betyder att när du potentialvandrar med kirchoffs spänningslag från batteriets minuspol till pluspol så ökar potentialen.
- En resistor har högre potential på den sida som strömmen går in, jämfört med den sida som strömmen går ut. Betyder att när du potentialvandrar med kirchoffs spänningslag i strömmens rikning genom en resistor så minskar potentialen.
Hur kan det komma sig (förutom matematiskt då) att ohms lag ger olika svar på strömmen beroende på vilka komponenters värde jag använder? Det var lite det som fick mig att undra om strömmen var olika beroende på var man befinner sig i kretsen fast de tillsammans blir en total ström. Men det kanske är en ihopblandning med parallellkopplingar...
Det låter som att det är parallellkoppling, när strömmen delar upp sig i flera grenar. Har du något bra exempel?
JohanF skrev:Det låter som att det är parallellkoppling, när strömmen delar upp sig i flera grenar. Har du något bra exempel?
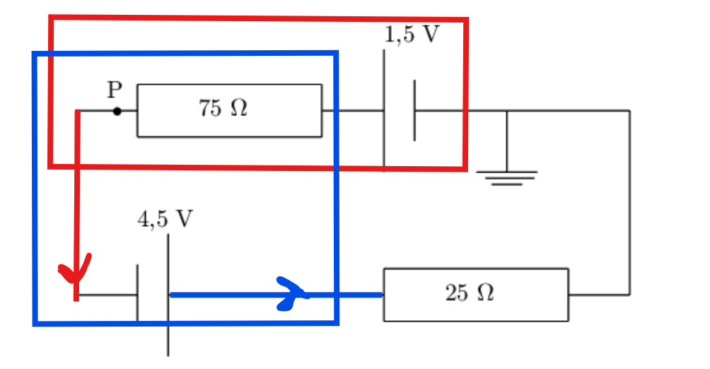
När jag försöker få reda på strömmen i kretsloppet som jag skickade överst så blev den röda delen 0,02 A och den blåa 0,06 A. Går jag vidare och tar 4,5 V genom 25 Ω så blev det 0,018 A och sist så om jag tog 1,5 genom 25 så blev det 0,06 A. Jag ser ju att det blir samma storlek på ström när jag tog 4,5/75 och 1,5/25, men jag förstår liksom inte vad det andra betyder. Jag liksom tappar bort mig och blir dessutom förvirrad av jordningen.
Vad händer med strömmen där? Försvinner den? Hur är det ett slutet kretslopp om strömmen "försvinner". Kommer den tillbaka? Är jordningen bara en referenspunkt? Jag vet inte hur jordning funkar i verkligheten typ i eluttag, men antar att det är som någon slags säkring... Nu har jag väl säkert överkomplicerat allt, men jag kommer inte vidare om jag inte klargöra det här känns det som.
Jättebra frågor, allihop.
I din ovanstående bild så finns ingen parallellkoppling. Allting är seriekopplat i en enda slinga. Eftersom det inte finns någonstans som strömmen kan dela sig, så _vet_ vi att det går lika stor ström överallt i kretsen. Vi kan kalla den för i.

Det här med jordning. Jag kan förstå att det är jätteförvirrande med elektrisk ström eftersom man ofta gör liknelsen med en vattenström. Dessa två typer av strömmar har många likheter, men en _stor_ skillnad mellan en ström av vatten och en elektrisk ström, är att medan en ström av vatten kan delas av och rinna ner i ett helt annat vattendike, så måste den elektriska strömmen _alltid_ komma tillbaka till sin ursprungspunkt. Elektrisk ström går alltså alltid i slutna loopar.
Detta får den tillsynes märkliga konsekvensen att om en krets är jordad i en punkt (som din krets är) så kan det _inte_ flyta bort någon ström ner i jorden och försvinna, eftersom det inte finns någon väg tillbaka från jorden och in kretsen så att strömmen kan komma tillbaka till sin ursprungspunkt.
(Om du däremot hade haft två jordningspunkter i din krets så hade det varit fullt möjligt för strömmen att flyta ut genom ena jordningspunkten och flyta tillbaka genom den andra. detta kallar man för jordFEL)
Det enda som _en_ jordning i en krets gör, är att den sätter referensspänningspotentialen till noll i den punkten.
Man _får inte_ "dela upp" en krets i delslingor, om den inte är konstruerad som ett antal delslingor. Att du har upptäckt att 4.5/75 och 1.5/25 blir samma värde är en slump (eller så har den som konstruerat uppgiften velat få läsaren att tänka till...).
Kirchoffs spänningslag säger att om du räknar potentialfallen i en sluten krets, så är summan noll. Det är lämpligt att börja i jordsymbolen eftersom vi vet att potentialen är noll där.
potentialvandrar man i strömmens riktning så vet man att potentialen är lägre på den sida av motståndet där strömmen kommer ut, än där den kom in.
minuspolen på ett batteri har högre potential än pluspolen.

Nu vet du att strömmen 0.06 Ampere flyter i kretsen. Då kan du potentaiklvandra ifrån jordsymbolen igen, men bara fram till .
Potentialen i punkten P är
Tillägg: 5 maj 2025 22:36
Jordningen i ett vägguttag är precis vad det låter som. Ifrån jodningsblecket i vägguttaget går en ledare (gärna så kort väg som möjligt) ut till ett metallspett som är nedgrävt i marken. Dvs metallspettet är jordat.