Thévenin krets
Man ska räkna ut spänningstvåpolen e och Rt men jag vet inte hur jag bör göra när resten av kretsen inte är en tvåpol som i detta fall.
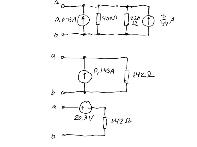
såhär har jag försökt: 
jag tänkte att man kanske kan flytta över allt på ena sidan så att den andra blir en fri ledning men då får jag fel svar. Hur ska jag göra?
Du har gjort helt rätt hittills - kretsen i uppgiften är ekvivalent med den sista kretsen du har på ditt papper.
Att flytta över allt på ena sidan låter som en fullt rimlig strategi, men jag misstänker att du gör någon tankevurpa när du gör det. Kan du visa hur du går tillväga?
Nästa steg är exempelvis:

Nästa steg tänkte jag:
e= 30 - 15= 15v
RT = 400 + 220 = 620ohm
Men facit säger e=20,3v RT=142ohm
Jan Ragnar skrev:
Är det jag som inte ser eller skickar ni tomma meddelanden >:(
Nej, på min iPad verkar det helt OK.
på min dator är dina meddelanden helt tomma :(
På min dator är det ett meddelande från Jan Ragnar som endast innehåller orden
Nästa steg är exempelvis:
och ett annat inlägg som är helt tomt.
Smaragdalena skrev:På min dator är det ett meddelande från Jan Ragnar som endast innehåller orden
Nästa steg är exempelvis:
och ett annat inlägg som är helt tomt.
Precis så för mig också
Det kanske är så att filnamnet jag använde hade en accent på e i Thévenin. Jag skall ändra och sända om.
Hjälpte justeringen?
Jag förstår! Jag har sökt efter varför jag inte kom fram med min lösning, men om jag skulle omvandla det sista steget i min lösning till strömtvåpol så kommer jag till samma punkt som din lösning börjar. Men varför funkar det inte att bara summera ihop spänningskällorna och resistorerna?


