2
svar
211
visningar
Alex111 behöver inte mer hjälp
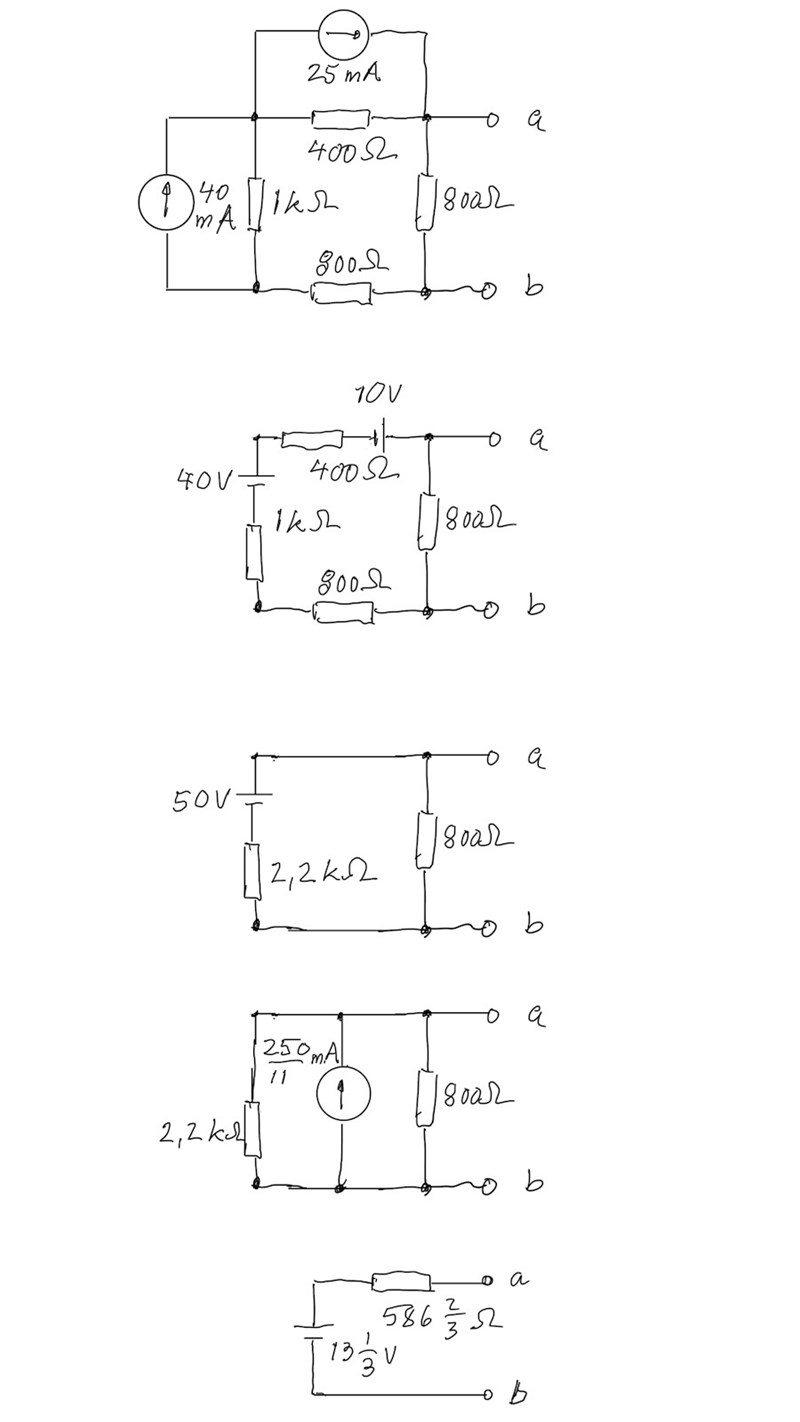
Thevenin-Norton, Elkretsanalys uppgift 5.1.e
Hej!
Jag har försökt lösa följande uppgift med hjälp av flera Thevenin-Norton omvandlingar samt genom att addera seriekopplade/parallellkopplade resistanser
Uppgiften:


Svaret jag fått fram: e =~ 293.3 V och Rt =~ 586.7 ohm.
Svaret enligt facit: e =~ 13.33 V och Rt =~ 586.7 ohm.
Lösningen (efter flera Thevenin-Norton omvandlingar):

Vilken ordning ska man göra Thevenin-Norton omvandlingarna i?
Jan Ragnar skrev:
Tack så hemskt mycket för härledningen, nu vet jag hur man löser liknande problem :)
