Thevenin och norton resistans.
Hej! Som inlägget lyder har jag lite problem med att förstå just thevenin/norton resistansen i kretsar, jag har två uppgifter, som enligt mig är väldigt lika men ekvivalenta resistansen fås ut med parallelkoppling i den ena och med seriekoppling i den andra, trots att dem enligt mig ser lika ut. Jag har en teori att det är just när vi nollar dom oberoende källorna, men kan ha fel! Uppskattar all hjälp jag kan få, tack på förhand!
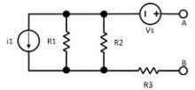
Bilden överst löses med parallelkoppling, och bilden underst blir parallelkoppling mellan R1 och R2, sedan serie med R3.
Grillish39 skrev:bilden underst blir parallelkoppling mellan R1 och R2
Ja, det är väl inget konstigt?
Pieter Kuiper skrev:Grillish39 skrev:bilden underst blir parallelkoppling mellan R1 och R2
Ja, det är väl inget konstigt?
Nej, inte det som är konstigt heller. Det är att dem sedan är i serie med R3, medans den översta är parallel trots dem ser lika ut enligt mig.
Grillish39 skrev:
medans den översta är parallel trots dem ser lika ut enligt mig.
Så länge man inte bara sådär ser på ögat att det är annorlunda, får man väl räkna ut den ekvivalenta tvåpolen steg för steg.
Pieter Kuiper skrev:Grillish39 skrev:
medans den översta är parallel trots dem ser lika ut enligt mig.Så länge man inte bara sådär ser på ögat att det är annorlunda, får man väl räkna ut den ekvivalenta tvåpolen steg för steg.
Så det har alltså ingenting att göra med när man nollställer dom obereonde källorna som man kan se det?
Grillish39 skrev:
Det finns olika metoder, men om det är att nollställa källor som du har lärt dig: nollställ Vs och se att R1 och R2 är parallella.



