transformator
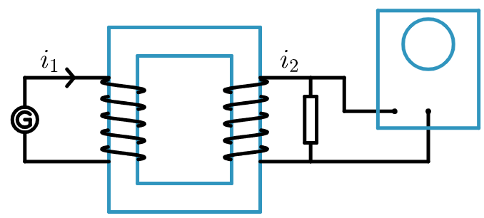
Hur ska jag tänka? En sluten kärna av mjukt järn är försedd med två lindningar så som framgår av figur 1. Primärlindningen är ansluten till en generator G, som lämnar en strömpuls. Strömmen i1i1 varierar med tiden så som framgår av figur 2.

I sekundärkretsen, som är sluten genom ett motstånd med stor resistans, induceras då under kort tid en ström i2. Tidsförloppet för denna iakttas med ett oscilloskop.Vilken av nedanstående oscilloskopbilder återger bäst strömmen i2 som funktion av tiden?




eftersom de har lika många lindringar borde inte I vara samma för båda
Strömmen i2 beror på förändringen det magnetiska flödet i järnkärnan och därmed förändringen av i1.
Med matematiska termer: i2 är proportionell mot di1/dt.