18 svar
316 visningar
Cien behöver inte mer hjälp
Cien 1318
Postad: 6 jan 2023 16:32 Redigerad: 6 jan 2023 16:32

Transient förlopp i RLC-krets

Hej, behöver lite hjälp med uppgiften nedan. Om vi börjar med (a), har lite svårt för att förstå switchar överlag. Betyder switchen på bilden nedan att den är stängd men att den är öppen vid t(0+)t(0^{+})(dvs strax efter t=0)? och vi ska i (a) uppgiften undersöka vad i(0) är (då switchen är stängd)? 

JohanF 6368 – Moderator
Postad: 6 jan 2023 17:20

Switchsymbolen ska tolkas som att den är sluten före t=0, och vid t=0 så bryts den upp som pilen visar.  Så man ska tolka det som du gör, dvs i a så har switchen resistansen 0 ohm.

Har du nåt förslag på hur du ska göra sedan?

Cien 1318
Postad: 6 jan 2023 17:32 Redigerad: 6 jan 2023 17:33
JohanF skrev:

Switchsymbolen ska tolkas som att den är sluten före t=0, och vid t=0 så bryts den upp som pilen visar.  Så man ska tolka det som du gör, dvs i a så har switchen resistansen 0 ohm.

Har du nåt förslag på hur du ska göra sedan?

Jag tänker att strömmar och spänningar är konstanta då switchen har varit stängd länge. Då måste det bli kortslutning vid spolarna eftersom uL=Ldidt=L*0=0u_L=L \dfrac{di}{dt}=L*0=0 och avbrott vid kondensatorerna då iC=Cdudt=C*0=0i_C=C \dfrac{du}{dt}=C*0=0 (resonerar jag korrekt?)

JohanF 6368 – Moderator
Postad: 6 jan 2023 17:38

Jag är inne på samma lösningstrstrategi som du, att försöka plocka bort det som inte är relevant. Fortsätt och jobba så får vi se var du landar.

Cien 1318
Postad: 6 jan 2023 17:45
JohanF skrev:

Jag är inne på samma lösningstrstrategi som du, att försöka plocka bort det som inte är relevant. Fortsätt och jobba så får vi se var du landar.

JohanF 6368 – Moderator
Postad: 6 jan 2023 18:18
Cien skrev:
JohanF skrev:

Jag är inne på samma lösningstrstrategi som du, att försöka plocka bort det som inte är relevant. Fortsätt och jobba så får vi se var du landar.

Precis, nu börjar det bli enklare att räkna fram svar till a

Cien 1318
Postad: 6 jan 2023 18:27
JohanF skrev:
Cien skrev:
JohanF skrev:

Jag är inne på samma lösningstrstrategi som du, att försöka plocka bort det som inte är relevant. Fortsätt och jobba så får vi se var du landar.

Precis, nu börjar det bli enklare att räkna fram svar till a

Det är redan färdigräknat. Om vi kollar på uppgift (b) nu, och switchen öppnas. Då är de väl intresserade precis då switchen öppnas och kondensatorer och spolar "urladdas"? För om de pratar om då tiden rör sig mot oändligheten är väl det något helt annat?

Vet inte hur jag ska börja.

JohanF 6368 – Moderator
Postad: 6 jan 2023 18:52

Fundera på vad som spelar roll för i1, i och u, när switchen är uppbruten? Och vad som inte spelar roll.

JohanF 6368 – Moderator
Postad: 6 jan 2023 18:58
JohanF skrev:

Fundera på vad som spelar roll för i1, i och u, när switchen är uppbruten? Och vad som inte spelar roll.

Du ska hitta uttryck för strömmen och spänningen för alla t när switchen brutits upp. Så det gäller att först ta bort allt ovidkommande före du försöker ställa upp, och hitta lösningar till differentialekvationerna.

Cien 1318
Postad: 6 jan 2023 19:16 Redigerad: 6 jan 2023 19:23
JohanF skrev:
JohanF skrev:

Fundera på vad som spelar roll för i1, i och u, när switchen är uppbruten? Och vad som inte spelar roll.

Du ska hitta uttryck för strömmen och spänningen för alla t när switchen brutits upp. Så det gäller att först ta bort allt ovidkommande före du försöker ställa upp, och hitta lösningar till differentialekvationerna.

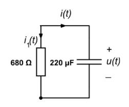
Jag tänker att kretsen bör se ut såhär

Om jag använder KVL får jag u(t)-680i1(t)=0, jag utnyttjar att i1(t)=Cdudti_{1}(t)=C\dfrac{du}{dt}. Efter lite förenkling får jag att dudt-10.1496u(t)=0,a=10.1496\dfrac{du}{dt}-\dfrac{1}{0.1496}u(t)=0, a=\dfrac{1}{0.1496} vilket ger att u(t)=Ae-atu(t)=Ae^{-at} för någon konstant A. Nu är frågan hur jag hittar A.

Edit: Jag kanske ska använda mig av u(0)=14 då blir A=14*e-a*0=14A=14*e^{-a*0}=14. Alltså u(t)=14e-atu(t)=14e^{-at}

JohanF 6368 – Moderator
Postad: 6 jan 2023 19:28 Redigerad: 6 jan 2023 19:29
Cien skrev:
JohanF skrev:
JohanF skrev:

Fundera på vad som spelar roll för i1, i och u, när switchen är uppbruten? Och vad som inte spelar roll.

Du ska hitta uttryck för strömmen och spänningen för alla t när switchen brutits upp. Så det gäller att först ta bort allt ovidkommande före du försöker ställa upp, och hitta lösningar till differentialekvationerna.

Jag tänker att kretsen bör se ut såhär

Om jag använder KVL får jag u(t)-680i1(t)=0, jag utnyttjar att i1(t)=Cdudti_{1}(t)=C\dfrac{du}{dt}. Efter lite förenkling får jag att dudt-10.1496u(t)=0,a=10.1496\dfrac{du}{dt}-\dfrac{1}{0.1496}u(t)=0, a=\dfrac{1}{0.1496} vilket ger att u(t)=Ae-atu(t)=Ae^{-at} för någon konstant A. Nu är frågan hur jag hittar A.

Edit: Jag kanske ska använda mig av u(0)=14 då blir A=14*e-a*0=14A=14*e^{-a*0}=14. Alltså u(t)=14e-atu(t)=14e^{-at}

Ja, så borde det vara.

Cien 1318
Postad: 6 jan 2023 19:31
JohanF skrev:
Cien skrev:
JohanF skrev:
JohanF skrev:

Fundera på vad som spelar roll för i1, i och u, när switchen är uppbruten? Och vad som inte spelar roll.

Du ska hitta uttryck för strömmen och spänningen för alla t när switchen brutits upp. Så det gäller att först ta bort allt ovidkommande före du försöker ställa upp, och hitta lösningar till differentialekvationerna.

Jag tänker att kretsen bör se ut såhär

Om jag använder KVL får jag u(t)-680i1(t)=0, jag utnyttjar att i1(t)=Cdudti_{1}(t)=C\dfrac{du}{dt}. Efter lite förenkling får jag att dudt-10.1496u(t)=0,a=10.1496\dfrac{du}{dt}-\dfrac{1}{0.1496}u(t)=0, a=\dfrac{1}{0.1496} vilket ger att u(t)=Ae-atu(t)=Ae^{-at} för någon konstant A. Nu är frågan hur jag hittar A.

Edit: Jag kanske ska använda mig av u(0)=14 då blir A=14*e-a*0=14A=14*e^{-a*0}=14. Alltså u(t)=14e-atu(t)=14e^{-at}

Ja, så borde det vara.

Sen beräknar jag i1(t)=Cdu/dt , jag deriverar helt enkelt de nya uttrycket jag har för u(t) och multiplicerar med C. Sen är i(t) i motsatt riktning så i(t)=-i1(t). Så där, inte så svårt trots allt. Tack för hjälpen :)

JohanF 6368 – Moderator
Postad: 6 jan 2023 19:42

Snyggt! Det var en kul uppgift som såg väldigt jobbig ut vid första anblicken, men gick att bena ut.

Cien 1318
Postad: 6 jan 2023 22:09
JohanF skrev:

Snyggt! Det var en kul uppgift som såg väldigt jobbig ut vid första anblicken, men gick att bena ut.

Ja den var kul :) på uppgift b så gjorde jag avbrott på alla kondensatorer och kortslutning på spolarna, förutom kondensatorn u(t). Är det så man alltid ska gå tillväga?

JohanF 6368 – Moderator
Postad: 6 jan 2023 22:14
Cien skrev:
JohanF skrev:

Snyggt! Det var en kul uppgift som såg väldigt jobbig ut vid första anblicken, men gick att bena ut.

Ja den var kul :) på uppgift b så gjorde jag avbrott på alla kondensatorer och kortslutning på spolarna, förutom kondensatorn u(t). Är det så man alltid ska gå tillväga?

Ja, ditt resonemanget stämde ju, eller hur?

Cien 1318
Postad: 6 jan 2023 22:26
JohanF skrev:
Cien skrev:
JohanF skrev:

Snyggt! Det var en kul uppgift som såg väldigt jobbig ut vid första anblicken, men gick att bena ut.

Ja den var kul :) på uppgift b så gjorde jag avbrott på alla kondensatorer och kortslutning på spolarna, förutom kondensatorn u(t). Är det så man alltid ska gå tillväga?

Ja, ditt resonemanget stämde ju, eller hur?

Blir lite fundersam eftersom detta gäller under stationärtillstånd. Men när brytaren öppnas på uppgift (b) så är det ju inte längre i ett stationärtillstånd, så då bör vi väl inte sätta avbrott/kortsluta, då fallerar hela mitt resonemang men jag fick ju ändå rätt...

JohanF 6368 – Moderator
Postad: 6 jan 2023 22:41

Ok. Du förklarade hur du kunde förenkla kretsen med avbrott/kortslutning i stationärtillståndet i a. Det var en korrekt resonemang.

b är ju inte stationärt, men strömbrytaren gjorde att det bara återstod en enda sluten strömkrets med R och C som kunde påverka, eller hur?

Cien 1318
Postad: 6 jan 2023 22:46
JohanF skrev:

b är ju inte stationärt, men strömbrytaren gjorde att det bara återstod en enda sluten strömkrets med R och C som kunde påverka, eller hur?

Ja juste, det är den öppna strömbrytaren som gör att kretsen blir

då är jag nöjd. Tack :)

JohanF 6368 – Moderator
Postad: 6 jan 2023 22:47

Grejt!

Svara
Close