2
svar
63
visningar
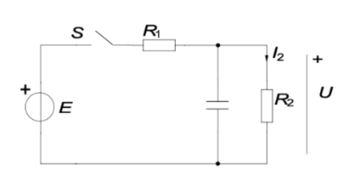
Transienta förlopp


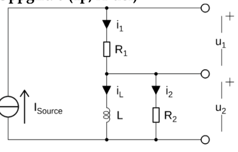
På dessa kretsar ska man räkna ut C respektive L från formlerna tau=R*C och tau=L/R. Men för första uppgiften använder de att R i den formeln är en parallellkoppling av R1 och R2 (så som man ska göra), men i den andra uppgiften ska man endast använda R2 för att få rätt svar. Men det borde väl bara en parallellkoppling av R1 och R2 där med? Eftersom kretsarna egentligen ser likadana ut och man mäter över samma ställe?
Den övre kretsen drivs av en spänningskälla, medan den undre drivs av en strömkälla.
I det undre fallet är ISource= iL + i2 oberoende av värdet på R1.
Jahaa okej! Tackar!