Trefas, samband mellan spänning och ström
Hej pluggakuten!
Jag har aldrig riktigt förstått sambandet mellan spänning och ström i 3-fas och undrar om någon skulle kunna förklara hur de förhåller sig till varandra i ett visardiagram?
Vi tar en exempeluppgift
Rita ett visardiagram över hur strömmarna i1, i2 och i(n) hänger ihop, utan att räkna ut hur stora de är.

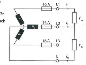
Jag hänger med på att enligt Kirchhoffs lagar är u1 - u12 - u2 = 0 samtidigt som i(n) = i1 + i2.
dvs:

Om vi säger att vi har resistiva laster (PA, PB) Så kommer iN att vara i fas med u2 och i1 att vara i fas med u12.
Storleken på iN (längden på vektorn) kommer att vara u2 / PB . Storleken på i1 kommer att vara u12 / PA.
Om lasterna inte är rent resistiva kommer strömmarna att vara fasförskjutna i förhållande till u2 respektive u12.
Tack Thomas!
Jag har en sista fråga. Hur går ditt tänk i uppgiften?
Jag tänker såhär:
Eftersom spänningen över P(A) enligt figur är U(12) så är strömmen som passerar P(A) kvoten mellan dessa.
Eftersom spänningen över P(B) enligt figur är U(2) så är strömmen som passerar P(B) kvoten mellan dessa.
Strömmarna är i fas med spänningarna då de kan ses som resistorer som generar en effekt t.ex. en spisplatta, dvs de kan ses enligt ohms lag U/R = I.
Är detta rätt tänkt?
Vänta lite, det ska väl ändå vara p/U = I ?
Eftersom spänningen över P(A) enligt figur är U(12) så är strömmen som passerar P(A) kvoten mellan dessa.
Eftersom spänningen över P(B) enligt figur är U(2) så är strömmen som passerar P(B) kvoten mellan dessa.
Strömmarna är i fas med spänningarna då de kan ses som resistorer som generar en effekt t.ex. en spisplatta, dvs de kan ses enligt ohms lag U/R = I.
Exakt!
Vänta lite, det ska väl ändå vara p/U = I ?
Om du med p menar effektutvecklingen i en resistans, så stämmer det också. Precis som U/R = I.
Tack så mycket Thomas! Väldigt hjälpsamt