uppgift inom elektriska kretsaer
Hej detta är en uppgift som jag inte kan riktigt göra mig förstådd på, vet inte riktigt om jag ens tänker rätt.
Uppskattar all hjälp och tack på förhand!!!

Hej, Att det inte flyter ström genom amperemetern betyder också att potentialenskillnaden mellan amperemeterns anslutningar är nołl. Kan du använda den informationen till något?
Hej det förstod jag men vet inte hur jag kan gå tillväga, tänkte ersättningsresistans men då blev problemet att det inte fanns rtot så jag kunde liksom inte lösa ut Rx
Eftersom potentialen är lika på amperemeterns bägge sidor är också spänningsfallet över 30 och 60 ohms motstånden lika stora.
Vi har också samma (men ett annat) spänningsfall över 70 ohms och x resistorn.
Samtidigt vet vi att spänningsfallet över en resistor är U=R*I (ohms lag)
Hjälper det?
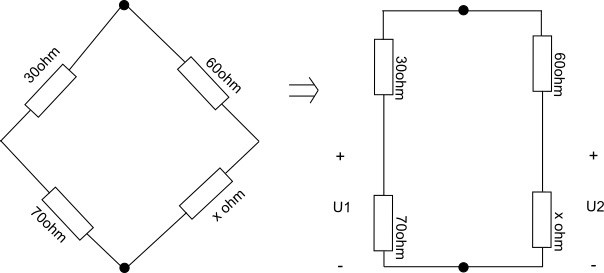
Kan kanske också hjälpa om man ritar om schemat lite.

Vad ska x vara för att U1 = U2?