2
svar
583
visningar
Lovcla852 behöver inte mer hjälp
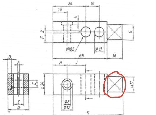
Vad betyder krysset på ritningen?
Jag har en teknikuppgift där jag ska bygga den här modellen, men jag lyckas inte klura ut vad krysset i den röda cirkeln betyder.
Vad betyder det?

Krysset kan var toppen av en kvadratisk stav som antingen är spetsig upptill som en pyramid, eller har en grop som en pyramid, det borde framgå av andra vyer.
Jag kan nästan inget om ritningar, men jag hittar på ett ställe att det kan vara hiss, vilket väl inte är fallet här, men de går ju i schakt, och på ett annat ställe "hål". Jag tror att det är hål där, alltså bara en tunn plåt som utgör randen.
Jag kan ha helt fel.