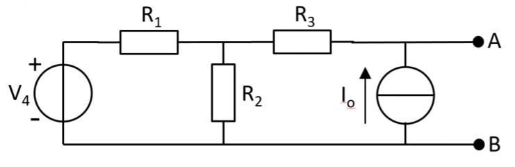
vad innebär punkterna A och B krets?
vad innebär det att A och B ser ut som de gör att de inte är slutna i kretsen? aldrig sett något liknande och hittar inte något i min kurslitteratur
har bara sett "vanliga" kretsar som är slutna i alla hörn
men vad säger detta? Är det någon spänning mellan dessa eller finns de någon ström som går i noderna eller vad gör dom?
Det känns som lite torftig kurslitteratur. Det finns många exempel i vardagen på att kretsar inte är slutna, där det finns ledare som går till hål där man kan stoppa in ena änden av en sladd och sedan andra ändan i ett nnat hål så händer något intressant. Två hål i väggen, t.ex. Eller svagare spänningskällor, eller punkter där ett mätinstrument kan mäta något. Eller ljud i elektrisk form från en elgitarr till en förstärkare.
Någon ström flyter inte genom A eller B, men de kan ha en spänningsskillnad.
Laguna skrev:Det känns som lite torftig kurslitteratur. Det finns många exempel i vardagen på att kretsar inte är slutna, där det finns ledare som går till hål där man kan stoppa in ena änden av en sladd och sedan andra ändan i ett nnat hål så händer något intressant. Två hål i väggen, t.ex. Eller svagare spänningskällor, eller punkter där ett mätinstrument kan mäta något. Eller ljud i elektrisk form från en elgitarr till en förstärkare.
Någon ström flyter inte genom A eller B, men de kan ha en spänningsskillnad.
okej då är jag med, tusen tack!