2
svar
157
visningar
Maremare behöver inte mer hjälp
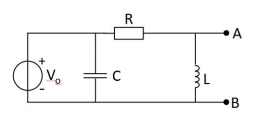
Vilka är parallella med vilka i denna krets? (ellära)
Hej,
Undrar om C är i serie med R som sen är parallell med L eller är R i serie med L som sen är parallell med C ?

tack för hjälpen!
EDIT: eller är alla parallella med varandra eller finns det andra alternativ?
R och C ligger i serie mellan A och B
L ligger också mellan A och B. Alltså ligger (R och C) parallellt med L
Jag tycker jag känner igen det här, handlar det om att räkna fram en Thevenin-ekvivalent?
Tänk på att ur impedanssynpunkt ser en spänningskälla ut som en kortslutning. Spänningen över C bestäms ju enbart av V0. Vad man än gör mellan A och B så påverkas inte spänningen över C och V0.