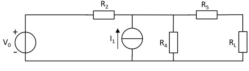
vilka av dessa är parallella?

Jag påsåtr att R5 och R4 är parallella och sen efter det i serie med R2
Andra jag diskuterat med säger att R2 och R4 är parallella och sen i serie med R5
Hur ska man veta vilket som är rätt? det blir ju olika värden?
Vad betyder cirkeln med vågrätt streck i? Det är ingen symbol jag känner igen. Är cirkeln med lodrätt streck i ett bateri eller liknande?
Smaragdalena skrev:Vad betyder cirkeln med vågrätt streck i? Det är ingen symbol jag känner igen. Är cirkeln med lodrätt streck i ett bateri eller liknande?
Cirkel med vågrät är strömkälla (vet ej mer än så) och cirkel med lodrätt spänningskälla (vet ej mer än så)
dessa är också nya symboler för mig
Då ska du få ett tredje svar av mig.
R5 och RL ligger i serie och kan ersättas av ett nytt vars värde du säkert kan räkna ut.
R4 och det nya ersättningsmotståndet är parallella. Varför? Jo, de två motstånden är förbundna med varandra i båda ändarna. Utan att det ligger någon annan komponent emellan.
Det innebär att R5, RL och R4 kan ersättas av ett nytt motstånd. Det motståndet kan beräknas med hjälp av lagarna för seriekopplande och parallellkoppling.
Men hur ärret med resten?
LennartL skrev:Då ska du få ett tredje svar av mig.
R5 och RL ligger i serie och kan ersättas av ett nytt vars värde du säkert kan räkna ut.R4 och det nya ersättningsmotståndet är parallella. Varför? Jo, de två motstånden är förbundna med varandra i båda ändarna. Utan att det ligger någon annan komponent emellan.
Det innebär att R5, RL och R4 kan ersättas av ett nytt motstånd. Det motståndet kan beräknas med hjälp av lagarna för seriekopplande och parallellkoppling.
Men hur ärret med resten?
aa okej, om vi skulle säga att RL inte fanns med då, skulle då R4 och R5 vara parallella i serie med R2 fortfarande?
R2 är inte parallellt eller i serie med något annat motstånd.
Om RL inte fanns skulle R4 och R5 vara parallella.
Nej, det är kanske litet av en luring. När motstånd är seriekopplade kan du ersätta dem med ett nytt (vars värde går att räkna ut).
Här kommer strömkällan I1 in och ställer till det för oss. Du märker det när du skall rita upp kretsen när alla motstånd skall ersättas med ett enda. Var skall strömkällan anslutas? Mittpå?
okej för jag tänkte också att R4 var parallell med R5 men så hittade jag ett youtube klipp som liknade denna krets där dom sa tvärt om att R4 och R2 var parallella så är förvirrad, eller så gjorde dom någo jag inte vet man kan göra.
vet ej om man får posta youtube klipp här, meddela annars så kan jag klistra in länken
Rita upp kretsen som "liknade denna krets" och lägg upp bilden här, så kan vi se hur pass lika de är.
Smaragdalena skrev:Rita upp kretsen som "liknade denna krets" och lägg upp bilden här, så kan vi se hur pass lika de är.

EDIT: Text: Dom satte 4 parallell med 5 och sen i serie med 9
Den krets du ritat upp är identisk med den i uppgiften, om vi bortser från storleken på komponenterna.
4 är inte parallell med 5. Det går inte att finna ett ersättningsmotstånd för dem. Spänningskällan 50 V är i vägen för det.
LennartL skrev:Den krets du ritat upp är identisk med den i uppgiften, om vi bortser från storleken på komponenterna.
4 är inte parallell med 5. Det går inte att finna ett ersättningsmotstånd för dem. Spänningskällan 50 V är i vägen för det.
märkligt att dom löste den felaktigt i sin youtube video :S
Ja.