Visa att kondensatorn är näst intill oladdad
Hej jag har svårt att lösa denna. Hur kan kondensatorn vara näst intill oladdad? Jag förstår att den är oladdad när t=0. Men den kommer ju få mer laddning desto längre tid spänningen får vara över kretsen och då kommer den ju inte längre vara näst intill oladdad..?
Jag har inte heller fått någon kapacitans på kondensatorn.
Strömmen har jag fått, den ska hållas till 20μA med hjälp av varierande spänning.


Vad är spänningen över kondensatorn?
Gissning: Du ska sannolikt visa att impedansen hos kondensatorn är så hög att den knappt laddas något alls.
När t=0 är spänningen 0
När det gått en viss tid och kondensatorn inte längre har någon ström igenom sig blir spänningen
U=
Ebola skrev:Vad är spänningen över kondensatorn?
Gissning: Du ska sannolikt visa att impedansen hos kondensatorn är så hög att den knappt laddas något alls.
Vi har inte gått igenom impedans
När det gått en viss tid och kondensatorn inte längre har någon ström igenom sig blir spänningen
På vilket vis varierar spänningen hos källan, tror du?
Spänningen hos källan kommer behöva höjas för att hålla samma ström. eller förstår jag dig fel?
Maals skrev:Spänningen hos källan kommer behöva höjas för att hålla samma ström. eller förstår jag dig fel?
Det är under förutsättning att kondensatorn laddas vilket du ska visa inte sker. I uppgiften frågar de vilken spänning källan ska vara inställd på "i detta läge" vilket får mig att tro att det inte rör sig om en varierande källa. Såvida det inte handlar om en amplitud vilken laddar och laddar ur kondensatorn.
Har du möjlighet att visa en bild på hela uppgiften? Specifikt där de talar om hur strömmen hålls vid 20 μA.
Aa förlåt, det är alltså en laboration jag ska utföra och jag sitter fast på förberedelse uppgiften som jag bifogade där uppe.
Låt mig bara förtydliga att uppgiften jag behöver hjälp med ska göras innan mätvärden tas fram från laborationen.
Här är resten:
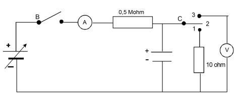
En kondensator i en likströmskrets har väldigt hög resistans (impedans) vilket innebär att strömmen hellre tar vägen förbi resistansen på 10 Ohm. Detta gör att kondensatorn i princip är kortsluten om du ställer C på läge 1.
Det måste finnas något ni lärt er om hur kondensatorer beter sig i likströmskretsar. Beräkningen blir nämligen enkel om man vet att resistansen i princip är oändlig hos kondensatorn när den är parallell med en resistor i en likströmskrets.
Du får nämligen att:
.jpg?width=800&upscale=false)
Så om går mot oändligheten så går strömmen genom kondensatorn mot noll.
Ebola skrev:En kondensator i en likströmskrets har väldigt hög resistans (impedans) vilket innebär att strömmen hellre tar vägen förbi resistansen på 10 Ohm. Detta gör att kondensatorn i princip är kortsluten om du ställer C på läge 1.
Det måste finnas något ni lärt er om hur kondensatorer beter sig i likströmskretsar. Beräkningen blir nämligen enkel om man vet att resistansen i princip är oändlig hos kondensatorn när den är parallell med en resistor i en likströmskrets.
Du får nämligen att:
Så om går mot oändligheten så går strömmen genom kondensatorn mot noll.
Tack för hjälpen jag har lärt mig något nytt iaf. Precis som du säger så är det förmodligen någon vi lärt oss som jag missar... Vet inte vad
Maals skrev:Tack för hjälpen jag har lärt mig något nytt iaf. Precis som du säger så är det förmodligen någon vi lärt oss som jag missar... Vet inte vad
Jag skulle verkligen ta chansen att fråga medstudenter eller min lärare. Utgå från det vi diskuterat nu och återkom gärna efter laborationen om vad som sägs då.
I sin mest grundläggande utformning så är en kondensator två parallella plattor gjorda av ledarmaterial (koppar till exempel) som inte är kopplade eller rör vid varandra. De är separerade antingen med luft eller ett insulerande material så som vaxpapper, en keram, plast etc. Det insulerande lagret mellan plattorna kallas ett dielektrikum.
När man har en kondensator i en likströmskrets så som det blir om C är kopplad i läge 2 så lagras energi i kondensatorn upp till den punkt då den har samma spänningsskillnad som källan över plattorna. Men, ingen ström kan flyta igenom kondensatorn i en likströmskrets eftersom ett insulerande dielektrikum inte leder ström.
Ställ C i läge 1 och B sluten.
Vi skriver batteriets spänning som Ub och voltmetern mäter spänningen U
Tänk för en stund att kondensatorn inte finns. Spänningen över kondensatorn beräknas då genom spänningsdelning:
Spänningen över kondensatorn ökar då med tiden till
Laddningen hos kondensatorn:
osv.