0
svar
91
visningar
Hur beräknas Wpl, Strukturmekanik
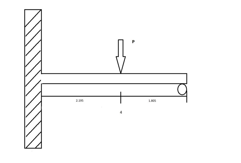
Hej, jag förstår inte hur jag får fram Wpl för en i-balk. Har försökt hur mycket som helst men läraren säger bara att jag räknat fel varje gång.
Jag bifogar mina beräkningar osv.

jag misstänker att det är något fel med tyngdpunkten osv.
tack för svar