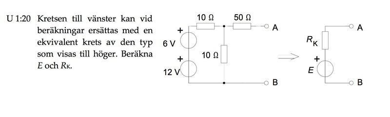
Ellära - Ekvivalenta kretsar

Hej,
När jag räknat denna uppgift så förstår jag ej logiken i svaren. De påstår att tomgångsspänningen E blir 9 V, då ingen last är ansluten till A och B och därav kan vi strunta i 50 ohm-resistorn.
Jag har fått intrycket av att vid just tomgång så alstras det faktiskt en spänning mellan ändarna ändå? Och det istället inte blir någon spänning över övriga resistorer då ingen ström går igenom kretsen.
På beräkning av Rk, kortslutningsresistansen, så tänker JAG att kortslutning innebär att strömmen tar den absolut lättaste vägen, dvs genom de två 10 ohms-resistorerna. De påstår istället att Rk blir 55 ohm.
Tänker jag helt fel nu? Ger den ekvivalenta kretsen mig någon ledtråd i vad jag borde räkna med?
Tack på förhand!
Jag förstår inte dina första två stycken. En spänning mellan A och B är det ju, det är den de vill veta. Och vid tomgång går det ändå en ström genom 10 ohmsmotstånden.
All ström tar inte vägen med minst resistans, den blir delad: en del går över 50 ohm och en del över 10 ohm. Annars skulle det inte bli någon ström vid kortslutning.
Laguna skrev:Jag förstår inte dina första två stycken. En spänning mellan A och B är det ju, det är den de vill veta. Och vid tomgång går det ändå en ström genom 10 ohmsmotstånden.
All ström tar inte vägen med minst resistans, den blir delad: en del går över 50 ohm och en del över 10 ohm. Annars skulle det inte bli någon ström vid kortslutning.
Så varför struntar vi i att räkna med motståndet 50 ohm för att beräkna E?
somsofia skrev:Laguna skrev:Jag förstår inte dina första två stycken. En spänning mellan A och B är det ju, det är den de vill veta. Och vid tomgång går det ändå en ström genom 10 ohmsmotstånden.
All ström tar inte vägen med minst resistans, den blir delad: en del går över 50 ohm och en del över 10 ohm. Annars skulle det inte bli någon ström vid kortslutning.
Så varför struntar vi i att räkna med motståndet 50 ohm för att beräkna E?
Vi struntar i det när vi beräknar tomgångsspänningen, inte när vi kortsluter.
Det här är en bra uppgift då den just tvingar en att konfrontera några av ens implicita antaganden om hur begreppen kring ekvivalenta kretsar fungerar kanske inte är helt rätt eller konsekventa. Det blir ju lite rörigt i ens tankar då men efteråt, eller en vecka senare, så brukar sånt falla på plats och man vet lite mer.
Om tomgång, så ja då det finns en spänning mellan A och B om det inte finns något kopplat mellan dem men det kommer inte finnas någon spänning mellan 50 Ohm-resistorns ändar. Det enklaste sättet att inse det skulle jag säga är att tänka på att Ohms lag måste över resistorn med U = RI men eftersom det inte kan gå någon ström genom den så måste spänningen över den vara 0. Vad de betyder praktiskt är att spänningen mellan AB är samma som spänningen över 10-resistorn till höger och eftersom det är två lika resistorer med 12+6=18V över sig så blit spänningen över ena hälften 18/2 = 9V.
Om kortslutning så stämmer det att merparten av strömmen tar den lättaste vägen genom 10Ohm-resistorn men en andel kommer fortfarane att gå genom 50-resistorn.. Vifd kortslutning får man effektivt två parallellkopplade resstorer mellan -punkterna och det blir lite arbete att räkna ut.
Först får man förmodligen beräkna hur mycket ström som lämnar spänningskällorna via effektiv resistans (är dock inte samma som den interna sedd relativt AB) och och därefter att det som går genom 50-resistorn är 10 / (50 + 10) av den strömmen.
Om att Rk är 55Ohm får man utvärdera när man tagit fram kortslutningsströmmen Ik och tagit kvoten
Rk = E / Ik
Om ekvivalenta kretsen så formulerar den idén att hela kretsen matemsatiskt kan reduceras till endast två komponenter så länge man ändast kan göra mätningar eller modifikationer mellan A och B men är inte någon ledtråd över det. Egentligen så får man bala följa standardalgoritmen lite linjärt:
1. Beräkna spänningen E mellan A och B utan kortslutning.
2. Kortsut A och B beräkna strömmen mellan A och B, Ik.
3. Ta kvoten av E och I för att få ekvivalenta resistansen R = E / Ik.
(4.) Glöm bort vad som fanns inne i maskinen mellan A och B och använd bara I, R ; E för att beskriva systemet.
Du kan skriva om hela den vänstra kretsen till en ekvivalent krets som liknar den till höger.
Ett tips:
Börja med att lägga till spänningskällorna, så att du får en spänningskälla på totalt 18V. Sen kan du omvandla spänningskällan som sitter i serie med 10 ohms resistorn till en strömkälla istället, du använder ohms lag. Då får du en strömkälla som sitter parallellt med 10 ohms resistorn.
Tror du att du fixar det?
Alan123 skrev:Du kan skriva om hela den vänstra kretsen till en ekvivalent krets som liknar den till höger.
Ett tips:
Börja med att lägga till spänningskällorna, så att du får en spänningskälla på totalt 18V. Sen kan du omvandla spänningskällan som sitter i serie med 10 ohms resistorn till en strömkälla istället, du använder ohms lag. Då får du en strömkälla som sitter parallellt med 10 ohms resistorn.
Tror du att du fixar det?
Så då får jag en ström på I=1.8 A som går genom den första resistorn till vänster? Vet dock inte vad jag ska göra med det sen.. Mitt problem är nog att jga inte kan se ett mönster för hur strömmen färdas sedan.
somsofia skrev:Alan123 skrev:Du kan skriva om hela den vänstra kretsen till en ekvivalent krets som liknar den till höger.
Ett tips:
Börja med att lägga till spänningskällorna, så att du får en spänningskälla på totalt 18V. Sen kan du omvandla spänningskällan som sitter i serie med 10 ohms resistorn till en strömkälla istället, du använder ohms lag. Då får du en strömkälla som sitter parallellt med 10 ohms resistorn.
Tror du att du fixar det?
Så då får jag en ström på I=1.8 A som går genom den första resistorn till vänster? Vet dock inte vad jag ska göra med det sen.. Mitt problem är nog att jga inte kan se ett mönster för hur strömmen färdas sedan.
Så du får denna kretsen, du kan parallellkoppla resistorerna på 10 ohm.

Vad får du sen?
Alan123 skrev:somsofia skrev:Alan123 skrev:Du kan skriva om hela den vänstra kretsen till en ekvivalent krets som liknar den till höger.
Ett tips:
Börja med att lägga till spänningskällorna, så att du får en spänningskälla på totalt 18V. Sen kan du omvandla spänningskällan som sitter i serie med 10 ohms resistorn till en strömkälla istället, du använder ohms lag. Då får du en strömkälla som sitter parallellt med 10 ohms resistorn.
Tror du att du fixar det?
Så då får jag en ström på I=1.8 A som går genom den första resistorn till vänster? Vet dock inte vad jag ska göra med det sen.. Mitt problem är nog att jga inte kan se ett mönster för hur strömmen färdas sedan.
Så du får denna kretsen, du kan parallellkoppla resistorerna på 10 ohm.
Vad får du sen?
Alltså, då får jag ju en resistans i y-led motsvarande 5 ohm, och i x-led en resistans motsvarande 50 ohm. Om vi antar att vi placerar x-ledets resistans först och sedan y-ledets resistanser så blir ju summan av resistanserna 55ohm. Är det så du tänker att Rk räknas ut?
Men jag förstår faktiskt inte alls hur du kan se att du kan parallellkoppla 10-ohms resistorerna.. Och jag förstår inte vilka formler man använder heller, för det verkar vara olika i varje uppgift om man tex ska räkna med resistorn vid ändpunkterna A och B (i detta fall 50 ohms-resistorn)
Jag tror att mitt problem är att jag tänker (tex med din uppritade bild) att det givetvis är 18V som är spänningen över R1 och R2, dvs strömmen blir 1.8 ampere genom vardera, men att jag då inte har någon aning om vad jag ska räkna med för spänning över R3 eftersom jag tänker att all spänning ''gick åt'' över R1 och R2.
Min metod utan strömkälla: (Blir mycket text men i praktiken räkningar man skissar på en servett)
Kortslut AB.
För att beräkna strömmen Ik så ser vi kretsen som en sekvens av tre delar
spänningskälla 18V - 10 Ohm resistor - (50 Ohm och 10Ohm i parallell)
Alla resistorerna tillsammans bildar en tvåpols-komponent med effektiv resistans
Därmed är totala strömmen som går genom spänningsaggregaten
Denna ström delar upp sig mellan 10-resistorn och 50-resistorn i delen bestående av 10/50-parallellt och målet är att beräkna strömmen genom 50-resistor då detta är kortslutningsströmmen. Man kan ha memorerat formeln för strömdelning i parallella kretsar men går att härleda snabbt
Kirchoff:
Att spänningen är lika över två komponenter i parallel:
U = U, RI = RI
10 I_{10} = 50 I_{50}
Kombinera med kirchoff
Lös ut:
(En sjättedel av totala strömmen går genom AB)
Så
somsofia skrev:Alan123 skrev:somsofia skrev:Alan123 skrev:Du kan skriva om hela den vänstra kretsen till en ekvivalent krets som liknar den till höger.
Ett tips:
Börja med att lägga till spänningskällorna, så att du får en spänningskälla på totalt 18V. Sen kan du omvandla spänningskällan som sitter i serie med 10 ohms resistorn till en strömkälla istället, du använder ohms lag. Då får du en strömkälla som sitter parallellt med 10 ohms resistorn.
Tror du att du fixar det?
Så då får jag en ström på I=1.8 A som går genom den första resistorn till vänster? Vet dock inte vad jag ska göra med det sen.. Mitt problem är nog att jga inte kan se ett mönster för hur strömmen färdas sedan.
Så du får denna kretsen, du kan parallellkoppla resistorerna på 10 ohm.
Vad får du sen?
Alltså, då får jag ju en resistans i y-led motsvarande 5 ohm, och i x-led en resistans motsvarande 50 ohm. Om vi antar att vi placerar x-ledets resistans först och sedan y-ledets resistanser så blir ju summan av resistanserna 55ohm. Är det så du tänker att Rk räknas ut?
Men jag förstår faktiskt inte alls hur du kan se att du kan parallellkoppla 10-ohms resistorerna.. Och jag förstår inte vilka formler man använder heller, för det verkar vara olika i varje uppgift om man tex ska räkna med resistorn vid ändpunkterna A och B (i detta fall 50 ohms-resistorn)
Har du tidigare provat att omvandla från en spänningstvåpol till en strömtvåpol?
Det borde stå i din lärobok, i och med att du läser om tvåpolskretsar.
Om du har en spänningstvåpol som på bilden nedan:

Då kan du ersätta det markerade området med en strömtvåpol istället, för att du ser att du har en spänningskälla i serie med ett motstånd. Det man gör är att man lägger till en strömkälla på 1,8A(). Resistorn har samma värde, fast du lägger den parallellt. Du får:
Resten blir :

Nu omvandlar du tillbaka till spänningstvåpol, varför? Jo dels för att du vill ha en spänningskälla som på den ekvivalenta kretsen på din bild till höger, men även för att det kommer förenkla sig finare, så här :
Nu har du din spänningskälla E samt 2 resistorer i serie, som blir 50+5=55Ω.
Tillslut får du:

En lite torr och tråkig länk kommer här, men den gjorde det lite lättare att förstå för mig i alla fall.
https://www.youtube.com/watch?v=kanX6tmbDeY
Tack Alan123 som fick mig att komma ihåg något av gammal kunskap :-)
Jaa verkligen tack alla för hjälpen, jag är så himla snurrig :/ Har redan kollat på den där videon om tvåpol, den är bra! Fattar ändå inte så bra dock.. Men kan man alltid seriekoppla/parallellkoppla på det sättet? :) Gör vi inte det med 50ohm-resistorn för att den ligger i anslutning till A och B?

Provade samma sak på en annan uppgift men där fick jag inte till det. Tänkte att man kunde göra en strömkälla då med med 5ohm-resistorn och få I = 1 A. Du behöver såklart inte lösa uppgiften men går det att göra samma variant där?
somsofia skrev:Jaa verkligen tack alla för hjälpen, jag är så himla snurrig :/ Har redan kollat på den där videon om tvåpol, den är bra! Fattar ändå inte så bra dock.. Men kan man alltid seriekoppla/parallellkoppla på det sättet? :) Gör vi inte det med 50ohm-resistorn för att den ligger i anslutning till A och B?
Provade samma sak på en annan uppgift men där fick jag inte till det. Tänkte att man kunde göra en strömkälla då med med 5ohm-resistorn och få I = 1 A. Du behöver såklart inte lösa uppgiften men går det att göra samma variant där?
Oj råkade dubbla mitt svar där ovan. Men tror faktiskt jag fattar helt ok nu (peppar peppar!!) På uppgiften jag precis postade tänker jag alltså att jag först beräknar Ik och då kommer ju strömmen ta den lättaste vägen. Rb hade ingen belastning, dvs strömmen färdas genom 5 och 15 resistor ---> I=0.25A. Däremot för tomgång så tar ju strömmen alla tre vägar. Om jag då ritar en resistor 5+15 som Rk och sedan en resistor i y-led som 30 ohm så ser man ju faktiskt att man ska ta 5*(30/(5+15+30)) för att få fram E!
.jpg?width=800&upscale=false)
(sorry för slarvigt ritat)
somsofia skrev:somsofia skrev:Jaa verkligen tack alla för hjälpen, jag är så himla snurrig :/ Har redan kollat på den där videon om tvåpol, den är bra! Fattar ändå inte så bra dock.. Men kan man alltid seriekoppla/parallellkoppla på det sättet? :) Gör vi inte det med 50ohm-resistorn för att den ligger i anslutning till A och B?
Provade samma sak på en annan uppgift men där fick jag inte till det. Tänkte att man kunde göra en strömkälla då med med 5ohm-resistorn och få I = 1 A. Du behöver såklart inte lösa uppgiften men går det att göra samma variant där?
Lägg först ihop motstånden på 5 och 10 ohm eftersom de är i serie, då får du en spänningskälla i serie med ett motstånd. Sedan kan du tillämpa strömtvåpol för att få båda motstånden parallellt med varandra(20 med 30 ohm) :)
Alan123 skrev:somsofia skrev:somsofia skrev:Jaa verkligen tack alla för hjälpen, jag är så himla snurrig :/ Har redan kollat på den där videon om tvåpol, den är bra! Fattar ändå inte så bra dock.. Men kan man alltid seriekoppla/parallellkoppla på det sättet? :) Gör vi inte det med 50ohm-resistorn för att den ligger i anslutning till A och B?
Provade samma sak på en annan uppgift men där fick jag inte till det. Tänkte att man kunde göra en strömkälla då med med 5ohm-resistorn och få I = 1 A. Du behöver såklart inte lösa uppgiften men går det att göra samma variant där?
Lägg först ihop motstånden på 5 och 10 ohm eftersom de är i serie, då får du en spänningskälla i serie med ett motstånd. Sedan kan du tillämpa strömtvåpol för att få båda motstånden parallellt med varandra(20 med 30 ohm) :)
Tack! Gjorde jag rätt på bilden jag la upp?
Yes, bilden verkar se rätt ut.
Alan123 skrev:Yes, bilden verkar se rätt ut.
Tack så jättemycket för hjälpen!
somsofia skrev:Alan123 skrev:Yes, bilden verkar se rätt ut.
Tack så jättemycket för hjälpen!
Ingen fara :)
Alan123 skrev:somsofia skrev:Alan123 skrev:somsofia skrev:Alan123 skrev:Du kan skriva om hela den vänstra kretsen till en ekvivalent krets som liknar den till höger.
Ett tips:
Börja med att lägga till spänningskällorna, så att du får en spänningskälla på totalt 18V. Sen kan du omvandla spänningskällan som sitter i serie med 10 ohms resistorn till en strömkälla istället, du använder ohms lag. Då får du en strömkälla som sitter parallellt med 10 ohms resistorn.
Tror du att du fixar det?
Så då får jag en ström på I=1.8 A som går genom den första resistorn till vänster? Vet dock inte vad jag ska göra med det sen.. Mitt problem är nog att jga inte kan se ett mönster för hur strömmen färdas sedan.
Så du får denna kretsen, du kan parallellkoppla resistorerna på 10 ohm.
Vad får du sen?
Alltså, då får jag ju en resistans i y-led motsvarande 5 ohm, och i x-led en resistans motsvarande 50 ohm. Om vi antar att vi placerar x-ledets resistans först och sedan y-ledets resistanser så blir ju summan av resistanserna 55ohm. Är det så du tänker att Rk räknas ut?
Men jag förstår faktiskt inte alls hur du kan se att du kan parallellkoppla 10-ohms resistorerna.. Och jag förstår inte vilka formler man använder heller, för det verkar vara olika i varje uppgift om man tex ska räkna med resistorn vid ändpunkterna A och B (i detta fall 50 ohms-resistorn)
Har du tidigare provat att omvandla från en spänningstvåpol till en strömtvåpol?
Det borde stå i din lärobok, i och med att du läser om tvåpolskretsar.
Om du har en spänningstvåpol som på bilden nedan:
Då kan du ersätta det markerade området med en strömtvåpol istället, för att du ser att du har en spänningskälla i serie med ett motstånd. Det man gör är att man lägger till en strömkälla på 1,8A(). Resistorn har samma värde, fast du lägger den parallellt. Du får:
Resten blir :
Nu omvandlar du tillbaka till spänningstvåpol, varför? Jo dels för att du vill ha en spänningskälla som på den ekvivalenta kretsen på din bild till höger, men även för att det kommer förenkla sig finare, så här :
Nu har du din spänningskälla E samt 2 resistorer i serie, som blir 50+5=55Ω.
Tillslut får du:
En fråga bara, när du räknar ut E (alltså Ek) så räknar du bara med 5 ohms motståndet. Hur kommer det sig, när E ska vara tomgångsspänningen och därav bör ju strömmen även färdas över 50 ohm motståndet, speciellt enligt det vi har ritat upp när vi lägger R-resultanten 5 ohm i serie med 50 ohm? I uppgiften jag bifogade senare så är ju lösningen annorlunda. Då tar de istället och räknar ut E mha E= 5*(30/(20+30)). Jag prövade att lösa ursprungliga uppgiften i denna tråden med den metoden men det fungerar ej.. Jag kan inte heller lösa den uppgiften med metoden du använt till uppgiften här! :( Vad särskiljer uppgifterna åt?
somsofia skrev:Alan123 skrev:somsofia skrev:Alan123 skrev:somsofia skrev:Alan123 skrev:Du kan skriva om hela den vänstra kretsen till en ekvivalent krets som liknar den till höger.
Ett tips:
Börja med att lägga till spänningskällorna, så att du får en spänningskälla på totalt 18V. Sen kan du omvandla spänningskällan som sitter i serie med 10 ohms resistorn till en strömkälla istället, du använder ohms lag. Då får du en strömkälla som sitter parallellt med 10 ohms resistorn.
Tror du att du fixar det?
Så då får jag en ström på I=1.8 A som går genom den första resistorn till vänster? Vet dock inte vad jag ska göra med det sen.. Mitt problem är nog att jga inte kan se ett mönster för hur strömmen färdas sedan.
Så du får denna kretsen, du kan parallellkoppla resistorerna på 10 ohm.
Vad får du sen?
Alltså, då får jag ju en resistans i y-led motsvarande 5 ohm, och i x-led en resistans motsvarande 50 ohm. Om vi antar att vi placerar x-ledets resistans först och sedan y-ledets resistanser så blir ju summan av resistanserna 55ohm. Är det så du tänker att Rk räknas ut?
Men jag förstår faktiskt inte alls hur du kan se att du kan parallellkoppla 10-ohms resistorerna.. Och jag förstår inte vilka formler man använder heller, för det verkar vara olika i varje uppgift om man tex ska räkna med resistorn vid ändpunkterna A och B (i detta fall 50 ohms-resistorn)
Har du tidigare provat att omvandla från en spänningstvåpol till en strömtvåpol?
Det borde stå i din lärobok, i och med att du läser om tvåpolskretsar.
Om du har en spänningstvåpol som på bilden nedan:
Då kan du ersätta det markerade området med en strömtvåpol istället, för att du ser att du har en spänningskälla i serie med ett motstånd. Det man gör är att man lägger till en strömkälla på 1,8A(). Resistorn har samma värde, fast du lägger den parallellt. Du får:
Resten blir :
Nu omvandlar du tillbaka till spänningstvåpol, varför? Jo dels för att du vill ha en spänningskälla som på den ekvivalenta kretsen på din bild till höger, men även för att det kommer förenkla sig finare, så här :
Nu har du din spänningskälla E samt 2 resistorer i serie, som blir 50+5=55Ω.
Tillslut får du:
En fråga bara, när du räknar ut E (alltså Ek) så räknar du bara med 5 ohms motståndet. Hur kommer det sig, när E ska vara tomgångsspänningen och därav bör ju strömmen även färdas över 50 ohm motståndet, speciellt enligt det vi har ritat upp när vi lägger R-resultanten 5 ohm i serie med 50 ohm? I uppgiften jag bifogade senare så är ju lösningen annorlunda. Då tar de istället och räknar ut E mha E= 5*(30/(20+30)). Jag prövade att lösa ursprungliga uppgiften i denna tråden med den metoden men det fungerar ej.. Jag kan inte heller lösa den uppgiften med metoden du använt till uppgiften här! :( Vad särskiljer uppgifterna åt?
Gäller det andra uppgiften?
För att om du gör på precis samma sätt då skall du få E=3V.
Men ladda upp en bild på din kompletta lösning så kan vi hjälpa dig lättare, och den nya uppgiften ska skrivas i en ny tråd det blir för rörigt i denna tråden.